Le topic Dumble-like

Rappel du dernier message de la page précédente :
Doug_Watson
En schema j'ai 40 - 94 - 97 - 102 - 123 - 124 - 183 et divers morceaux ... Et entre 102 et 183, à part quelques détails et la puissance 50 vs 100 c'est pareil ! J'avais testé l'effet de la CR locale 10M+10M+0.05µF+10M+10M sur V2, et bien, j'avais dû le dire, aucun effet dans la bande audible !

Mon projet serait d'intégrer le dumbleator et une reverb... pas de HRM. Pour le FET vous en pensez quoi ? Ca sert ? Boost ? Pour que ça soit vraiment utile faudrait que ça soit footswichable... Le 102 est bien documenté et facile à reproduire. j'ai un transfo de sortie de Twin pour sortir en 8 et 16...

Oui j'ai toujours le VHT...
«Je ne suis pas sûr qu'on défende une civilisation en semant soi-même la barbarie.» E. Macron
Non, je n'ai pas rencontré Frankenstein et Epstein au Lichtenstein !
Doug_Watson
PiPiRoSe a écrit :
merci a toi c est sympa , je remarque une chose en regardant 30 secondes le plan du 183 et le layout : pin 6 de v1 sur le plan 175v et sur le layout 207v donc mieux vaut bien vérifier tout ca avant de se lancer


Bah, les tensions c'est à +-10% et sur les schémas Fender c'est même +- 20% !

Pour l'alim, il y a des simplifications à faire... deux 47µF 250V en série, bof, on ajoute les ESR ! Vaut mieux un seul 22µF 500V amha ! C'est valable pour les deux premiers de chaque coté de la self. J'ai parfois l'impression qu'il complique les choses pour justifier le prix et la hype !
«Je ne suis pas sûr qu'on défende une civilisation en semant soi-même la barbarie.» E. Macron
Non, je n'ai pas rencontré Frankenstein et Epstein au Lichtenstein !
PiPiRoSe
J entends bien mais ca fait pas très sérieux 30v d écart c est pas rien ...
Au pifomètre j aurais tendance a me fier au layout qui est plus complet niveau tension mais je dis ca sans savoir
le laisse les experts la dessus
« Si tu prends 500 € à un travailleur pour donner 100 € à 5 paresseux, tu perds un vote mais tu en gagnes 5. Ça s'appelle le socialisme. » Elon Musk

mon meilleur montage grâce au pcb d un ami :
https://www.casimages.com/u/pi(...)2817/
Doug_Watson
Citation:
Pour l'alim, il y a des simplifications à faire... deux 47µF 250V en série, bof, on ajoute les ESR ! Vaut mieux un seul 22µF 500V amha !


et sur la photo du Kitty Hawk page précédente c'est ce qu'ils ont fait !

Sinon, j'attends vos avis sur FET, Dumbleator et Reverb !
«Je ne suis pas sûr qu'on défende une civilisation en semant soi-même la barbarie.» E. Macron
Non, je n'ai pas rencontré Frankenstein et Epstein au Lichtenstein !
j0k3335
Doug_Watson a écrit :
Sinon, j'attends vos avis sur FET, Dumbleator et Reverb !


je n'ai jamais testé de FET donc, je laisserai les autres répondre, par contre, pour avoir ET Dumbleator ( boucle active) ET reverb sur mes Fuchs : je ne pourrai plus m'en passer !!!

Donc, si tu arrives à les incorporer, je pense que c'est un plus
Musician: Someone who puts $50,000 worth of gear into a $5,000 car to drive 100 miles to a $50 gig.
L'intelligence artificielle ne fait pas le poids face à la stupidité naturelle !
Nous sommes composés de 65% d'eau et de ... 35% de questions ...
... le moment est venu, quand l'heure est arrivée ...
Doug_Watson
C'est ce que je pensais ! A voir si tout tient dans mon châssis !
«Je ne suis pas sûr qu'on défende une civilisation en semant soi-même la barbarie.» E. Macron
Non, je n'ai pas rencontré Frankenstein et Epstein au Lichtenstein !
j0k3335
Doug_Watson a écrit :
C'est ce que je pensais ! A voir si tout tient dans mon châssis !



pour le #102 : il a subit plusieurs upgrade => Skyliner puis HRM.

Donc à toi de voir ce qui serait plus complémentaire à ton VHT ?!

Car le VHT a déjà le HRM ( sauf qu'ils ont adapté l'étage de puissance pour recevoir des 6L6 au lieu des EL34, si je me rappelle bien ?!) donc le #102 en HRM serait un peu redondant ? ( l'OD ne sonne pas trop Marshall d'ailleurs ?)

par contre le mettre en Skyliner peut être le bon coup ( par contre, je n'ai pas poussé jusqu'à savoir s'il est en High ou low plate ?)
et donc cela te donnerait :

soit :

Non-HRM Skyliner EQ low plate is a variation of the above. Dumble modded several of his older amps with a new tone stack he was developing, know as the skyline eq because it's output viewed on a scope resembled a city skyline.
It is a little less Fender but still a somewhat lower gain affair. It has the same gain as the vintage amp but the new EQ is more "signature dumble" and a little less Fender. Improved cleans from the Vintage model. It still sustains like a mofo, has a bit better string to string definition and is a little more refined in the tone shaping.

Soit
Non-HRM Skyliner EQ high plate is where he went next, same as above but now the gain staging is not classic fender. It has more headroom, definition, and punch, more lively and responsive cleans, smoother OD, and a small bit of compression, very touch sensitive, lots of sweet singing tones.

Donc, il faut voir ce que tu privilégies, ce que tu recherches ... mais l'un ou l'autre semble cool
Musician: Someone who puts $50,000 worth of gear into a $5,000 car to drive 100 miles to a $50 gig.
L'intelligence artificielle ne fait pas le poids face à la stupidité naturelle !
Nous sommes composés de 65% d'eau et de ... 35% de questions ...
... le moment est venu, quand l'heure est arrivée ...
Olric
  • Vintage Total utilisateur
HRM le #102 ? Surprenant.
Me tirez pas dessus, j'ai pas de PEA !
Doug_Watson
Faudrait déjà s'entendre sur ce qu'est HRM ! Pour moi c'est le 2eme tone stack dans la partie overdrive...

Citation:
Stands for "Hot Rubber Monkey" mod. Don't know the whole history of it but basically it refers to a pre-amp with a second tone stack in a Dumble ODS. Look at the ODS-101 schematics in the files section.


par contre pas trouvé le schéma ODS101 indiqué...

Et le "Skyliner" ? Juste des petites mods de valeurs dans le TS ?

edit : ok, trouvé ! le 102 est skyline high plate.
«Je ne suis pas sûr qu'on défende une civilisation en semant soi-même la barbarie.» E. Macron
Non, je n'ai pas rencontré Frankenstein et Epstein au Lichtenstein !
PiPiRoSe
je comprends comme doug a ce que j ai lu ici : https://sebagosound.com/index.php?id=18
c est pas simple a comprendre vos discutions avec ces termes très spécifique au dumble, il faut être dans le bain pour bien cerner le truc , ce qui n est pas mon cas
« Si tu prends 500 € à un travailleur pour donner 100 € à 5 paresseux, tu perds un vote mais tu en gagnes 5. Ça s'appelle le socialisme. » Elon Musk

mon meilleur montage grâce au pcb d un ami :
https://www.casimages.com/u/pi(...)2817/
Doug_Watson
Hérésie ! Je vais mettre la partie alim à gauche et les entrées à droite, comme sur un Marshall ! Tout ça pour mettre le tank de reverb avec les fiches vers l'arrière, plus pratique pour brancher... Quoique, comme c'est un combo, on s'en fiche un peu !

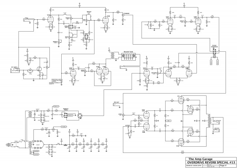
Tiens le #13 avait une reverb ! Mais avec un circuit d'injection plutôt tarabiscoté ! Un étage différentiel... Et ça ajoute une triode en sortie du clean...


#13 reverb



circuit reverb
«Je ne suis pas sûr qu'on défende une civilisation en semant soi-même la barbarie.» E. Macron
Non, je n'ai pas rencontré Frankenstein et Epstein au Lichtenstein !
j0k3335
Olric a écrit :
HRM le #102 ? Surprenant.



oui, tu as raison : il n'a PAS été updaté en HRM, juste en Skyliner.

Tout cela vient d'un gus qui a construit un "#102" et a jouté le HRM et a posté son schéma sur TAG ... créant une "certaine confusion"
( et moi, j'étais AUSSI tombé sur ce schéma !!! ... et tombé dans le panneau ... )

Erreur 1


Erreur 2
Musician: Someone who puts $50,000 worth of gear into a $5,000 car to drive 100 miles to a $50 gig.
L'intelligence artificielle ne fait pas le poids face à la stupidité naturelle !
Nous sommes composés de 65% d'eau et de ... 35% de questions ...
... le moment est venu, quand l'heure est arrivée ...
j0k3335
Doug_Watson a écrit :
Hérésie ! Je vais mettre la partie alim à gauche et les entrées à droite, comme sur un Marshall ! Tout ça pour mettre le tank de reverb avec les fiches vers l'arrière, plus pratique pour brancher... Quoique, comme c'est un combo, on s'en fiche un peu !


Dans mon combo Fuchs, le Tank Reverb est dans le bas du caisson et dans ma tête dans le bas du coffret : dans les deux cas les fils sont assez longs et ça n'a pas l'air de gêner ?!

tiens, je ne pense pas que toi, tu en ais vraiment besoin mais c'est le BOM du #102 en format PDF ( ça peut être un pense bête ?!) :
https://ampgarage.com/forum/do(...)59892
Musician: Someone who puts $50,000 worth of gear into a $5,000 car to drive 100 miles to a $50 gig.
L'intelligence artificielle ne fait pas le poids face à la stupidité naturelle !
Nous sommes composés de 65% d'eau et de ... 35% de questions ...
... le moment est venu, quand l'heure est arrivée ...
j0k3335
Doug_Watson a écrit :
Hérésie ! Je vais mettre la partie alim à gauche et les entrées à droite, comme sur un Marshall ! Tout ça pour mettre le tank de reverb avec les fiches vers l'arrière, plus pratique pour brancher... Quoique, comme c'est un combo, on s'en fiche un peu !

Tiens le #13 avait une reverb ! Mais avec un circuit d'injection plutôt tarabiscoté ! Un étage différentiel... Et ça ajoute une triode en sortie du clean...


Je ne comprend pas bien comment cela fonctionne ???

Cela veut dire qu'en mode OD, il "somme" le signal qui sort de la reverb ( en clean donc) avec le signal de l'OD ??? WTF

... quand tu auras 2 minutes, si tu peux m'expliquer ???

( de toute façon, cela n'aurait il pas été plus simple et logique de placer la reverb juste avant le PI ?)
Musician: Someone who puts $50,000 worth of gear into a $5,000 car to drive 100 miles to a $50 gig.
L'intelligence artificielle ne fait pas le poids face à la stupidité naturelle !
Nous sommes composés de 65% d'eau et de ... 35% de questions ...
... le moment est venu, quand l'heure est arrivée ...
Doug_Watson
Non, le chemin vert est clean et le chemin rouge OD. Mais en fait c'est juste le clean qui passe par la reverb et ==ensuite== passe dans le circuit OD. J'aurais dû mettre une autre couleur pour la partie réverbérée qui sort de la triode de gauche V4A ! C'est donc le mélange "dry clean" + "reverb clean" qui est envoyé en entrée de l'OD.

Comme le dumbleator est devant le PI et qu'on peut y insérer une réverb, oui, la mettre devant le PI pourrait être une option. Du coup, autre question : la reverb, avant ou après le dumbleator ?
«Je ne suis pas sûr qu'on défende une civilisation en semant soi-même la barbarie.» E. Macron
Non, je n'ai pas rencontré Frankenstein et Epstein au Lichtenstein !
The Trout
Le 124 ce serait classe, on en voit jamais en circulation. On ne trouve que des 102 et 183.
“The type of cap is not as important as the value of the cap, for guitar. In an Amp, your cap type is much more important, as the signal is being passed through the cap all the time. In a guitar, you’re not hearing the cap itself, you’re hearing what the cap is impeding”. Lindy Fralin

En ce moment sur ampli et préampli guitare...