Les amplis Dumble...

Rappel du dernier message de la page précédente :
Olric
  • Olric
  • Vintage Total utilisateur
  • #630
  • Publié par
    Olric
    le 07 Sep 2022, 08:29
corto30 a écrit :
Le souci c'est qu'apparement il n'y a pas de micro/enregistreur assez sensible pour capter le phénomène et le faire écouter aux septiques.. (alors que des videos qui montrent le contraire y'en a des palanquées...).
Du coup c'est un peu comme un daltonien qui voudrait montrer les couleurs de son monde aux autres...
(ou comme les ectoplasmes qu'on peut pas filmer ? )


C'est vrai, donc on ne va pas continuer pendant 107 ans du coup, d'autant plus que les Dumble like avec reverb (ce qui était quand même le sujet de départ), on est 2 à en avoir sur ce topic.
Me tirez pas dessus, j'ai pas de PEA !
TheSoulsRemain
j0k3335 a écrit :


... le débat n'est pas fini ... faute d'explications "techniques" , je peux comprendre le scepticisme ...


Ben s'il n'y a pas d'explication technique, que le phénomène ne peut pas être mesuré/visualisé sur des outils de mesures précis.....

j0k3335 a écrit :

... par contre de résumer ça à un gimmick commercial : je ne pense pas que ces boites vendent plus d'amplis avec cet argument . Ni pour se faire plus connaitre: ils n'ont pas besoin de ça ( Larry Carlton, Robben Ford, Joe Bonamassa, Eric Johnson, ... ... tout ce petit monde s'en charge )

... ou alors vendre quelques câbles à polarité inversée


euh c'est pas Mesa qui disait qu'il n'y a pas besoin de régler le BIAS sur ses amplis ?

Et le pire et c'est à se pisser dessus :

Les touts premiers dual rectifier, sorties en 93 (en fait les 500 premiers), n'ont pas de schémas disponibles ils ne sonnent pas pareils que les suivants et pas du tout pareil que les rectifier 3 canaux. (en fait c'est quand même une copie de SLO100) Problème : comme il y en a pas beaucoup, tout le monde se jette dessus (enfin faut relativiser...) et tout le tralala qui va avec. - j'en ai un acheté neuf à l'époque à Pigalle chez Jim Music.
Bref tout ceux qui en ont écouté un et jouer dessus savent que ce sont des amplis différents.
John Marshall, backliner de Hetfield pendant très très longtemps travaille chez Mesa Boogie maintenant.
Dans une interview il dit que finalement c'est le même son que tous les autres, qu'ils sonnent tous pareils, c'est à dire très bien.
Alors qu'il a entretenus pendant des années uniquement quelques modèles de ces rectifier qui appartiennent à Hetfield et Hammett.
Et qu'est ce qu'on voit pas sortir il y a quelques temps ? Un dual rectifier avec 2 canaux qui se rapproche en gros du son des premiers....

Citation:
.... we think it sounds better than the previous three-channel, but that was Randy sprinkling his magic in there. Not that the other ones sounded bad ....


c'est la magie de tout cette industrie US autour du monde de la guitare.


Des exemples comme ça il y en a la pelle.



Pour revenir au sujet, comme je joue avec plusieurs amplis en même temps, j'en ai un qui est en opposition de phase par rapport aux autres. Donc j'ai un câble HP qui est inversé (+/- d'un côté et -/+ de l'autre.) . Je voulais prendre des renseignements pour savoir si je pouvais reproduire cette expérience chez moi....mais ce ne sera pas possible puisque ça semble ne fonctionner que sur un simili dumble...
TheSoulsRemain
Rivera a écrit :
TheSoulsRemain a écrit :
Rivera a écrit :
oldamp a écrit :
#Rivera, qu'as tu exactement inversé ? Les fils sur un HP dans un 2x12 ?

J'ai inveré le + et le - sur le câble HP.
Perso, j'entends une différence sur tous les amplis que j'ai testé et fait le constat aussi que certain amplis en fonction des canaux, ça marche ou pas...
Le SLO a le canal OD et le canal Lead inversé et ça s'entend très distinctement.
Bruno en est donc aussi témoin désormais


et il a une explication ?


Non, je n'en ai pas et surtout je m'en fiche.


J'ai écrit "il"...pas "tu".

Olric
  • Vintage Total utilisateur
  • #633
  • Publié par
    Olric
    le
TheSoulsRemain a écrit :
j0k3335 a écrit :


... le débat n'est pas fini ... faute d'explications "techniques" , je peux comprendre le scepticisme ...


Ben s'il n'y a pas d'explication technique, que le phénomène ne peut pas être mesuré/visualisé sur des outils de mesures précis.....

j0k3335 a écrit :

... par contre de résumer ça à un gimmick commercial : je ne pense pas que ces boites vendent plus d'amplis avec cet argument . Ni pour se faire plus connaitre: ils n'ont pas besoin de ça ( Larry Carlton, Robben Ford, Joe Bonamassa, Eric Johnson, ... ... tout ce petit monde s'en charge )

... ou alors vendre quelques câbles à polarité inversée


euh c'est pas Mesa qui disait qu'il n'y a pas besoin de régler le BIAS sur ses amplis ?

Et le pire et c'est à se pisser dessus :

Les touts premiers dual rectifier, sorties en 93 (en fait les 500 premiers), n'ont pas de schémas disponibles ils ne sonnent pas pareils que les suivants et pas du tout pareil que les rectifier 3 canaux. (en fait c'est quand même une copie de SLO100) Problème : comme il y en a pas beaucoup, tout le monde se jette dessus (enfin faut relativiser...) et tout le tralala qui va avec. - j'en ai un acheté neuf à l'époque à Pigalle chez Jim Music.
Bref tout ceux qui en ont écouté un et jouer dessus savent que ce sont des amplis différents.
John Marshall, backliner de Hetfield pendant très très longtemps travaille chez Mesa Boogie maintenant.
Dans une interview il dit que finalement c'est le même son que tous les autres, qu'ils sonnent tous pareils, c'est à dire très bien.
Alors qu'il a entretenus pendant des années uniquement quelques modèles de ces rectifier qui appartiennent à Hetfield et Hammett.
Et qu'est ce qu'on voit pas sortir il y a quelques temps ? Un dual rectifier avec 2 canaux qui se rapproche en gros du son des premiers....

Citation:
.... we think it sounds better than the previous three-channel, but that was Randy sprinkling his magic in there. Not that the other ones sounded bad ....


c'est la magie de tout cette industrie US autour du monde de la guitare.


Des exemples comme ça il y en a la pelle.



Pour revenir au sujet, comme je joue avec plusieurs amplis en même temps, j'en ai un qui est en opposition de phase par rapport aux autres. Donc j'ai un câble HP qui est inversé (+/- d'un côté et -/+ de l'autre.) . Je voulais prendre des renseignements pour savoir si je pouvais reproduire cette expérience chez moi....mais ce ne sera pas possible puisque ça semble ne fonctionner que sur un simili dumble...


Non pas que sur les Dumble à priori, comme je l'ai dit c'est que le sujet de départ était les Dumble(-like) à reverb, vu que c'est un peu le topic
Me tirez pas dessus, j'ai pas de PEA !
TheSoulsRemain
Olric a écrit :

Non pas que sur les Dumble à priori, comme je l'ai dit c'est que le sujet de départ était les Dumble(-like) à reverb, vu que c'est un peu le topic


j0k3335 a écrit :

seraient concernés les amplis conçus sur l'architecture Dumble et avec reverb . (nombre d'étages influant sur la phase)



Bon je vais faire mon test......
j0k3335
TheSoulsRemain a écrit :
j0k3335 a écrit :


... le débat n'est pas fini ... faute d'explications "techniques" , je peux comprendre le scepticisme ...


Ben s'il n'y a pas d'explication technique, que le phénomène ne peut pas être mesuré/visualisé sur des outils de mesures précis.....


oui, c'est bien ce que je met en avant en indiquant que je comprend les sceptiques ( aucun rapport avec les fosses évidemment ... )

MAIS, je m'intéresse un peu à la cosmologie ET LA, au moins, on rencontre un tas de scientifiques ( de TRES haut niveau, prix nobel and co) qui sont d'une humilité ... qui devrait servir d'exemple !!!
à savoir qu'ils mettent en avant qu'en science, rien n'est immuable, une théorie retenue aujourd'hui peut être mise en cause demain, qu'il y a aussi dans notre Univers un tas de phénomène que l'on ne peut expliquer ... et pourtant dans l'ensemble ça a l'air de fonctionner ...puisque nous sommes là
... alors, humilité, et peut être qu'un jour quelqu'un trouvera une explication à ce phénomène et même probable ... que l'on se bidonnera tellement c'était simple, tellement évident ???!!!

TheSoulsRemain a écrit :

euh c'est pas Mesa qui disait qu'il n'y a pas besoin de régler le BIAS sur ses amplis ?



... parce qu'ils voulaient vendre LEURS lampes ET AINSI avec des lampes "précalibrées", effectivement tu peux te dispenser de reprendre le bias
(et il y a aussi le fait qu'ils se méfiaient des petits apprentis sorciers qui exagéraient un peu sur ce bias pour avoir plus de rendement , mais avec les risques éventuels ... et ils ne voulaient pas se retrouver avec des retour SAV avec des palabres de savoir si oui ou non le gus avait ou non tenter de modifier le bias.)

J'ai eu l'opportunité d'être reçu à Petaluma par Randall Smith et Mike Bendinelli (je crois d'ailleurs t'en avoir déjà parler ? désolé si je radote ) : non seulement, ils ont été hyper cools, hypers agréables et "serviables" et ne m'ont VRAIMENT pas parus être des "requins" au niveau business ... je ne pense pas qu'ils avaient besoin de cela en plus !?

Pour les rectifier ... je ne peux vraiment pas t'en parler ... moi c'était en 1985 et c'est pour mon Mark 2B que je les rencontrais ! ensuite hormis un MarkIII et un Quad, j'ai quitté la marque .

TheSoulsRemain a écrit :

....mais ce ne sera pas possible puisque ça semble ne fonctionner que sur un simili dumble...

... on s'en limite à ce postulat ... puisqu'il n'y a pas ces explications théoriques et cela aurait un rapport donc avec la dynamique ( le fameux BLOOM évoqué) due à la topologie de ce type d'amplis et aussi à cette faculté de faire "sustainer" les notes , qui pourrait être contrarié ou amélioré.
... Certains ont toutefois mis en avant avoir constaté ce phénomène sur d'autres amplis ( je crois qu'il y a un participant ici qui le mentionne ... )

... voilà ce que je peux en dire AUJOURD'HUI

EDIT: désolé, on s'est croisé avec la réponse de Olric dans l'intervalle ...
Musician: Someone who puts $50,000 worth of gear into a $5,000 car to drive 100 miles to a $50 gig.
L'intelligence artificielle ne fait pas le poids face à la stupidité naturelle !
Nous sommes composés de 65% d'eau et de ... 35% de questions ...
... le moment est venu, quand l'heure est arrivée ...
oldamp
  • Vintage Méga utilisateur
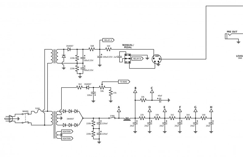
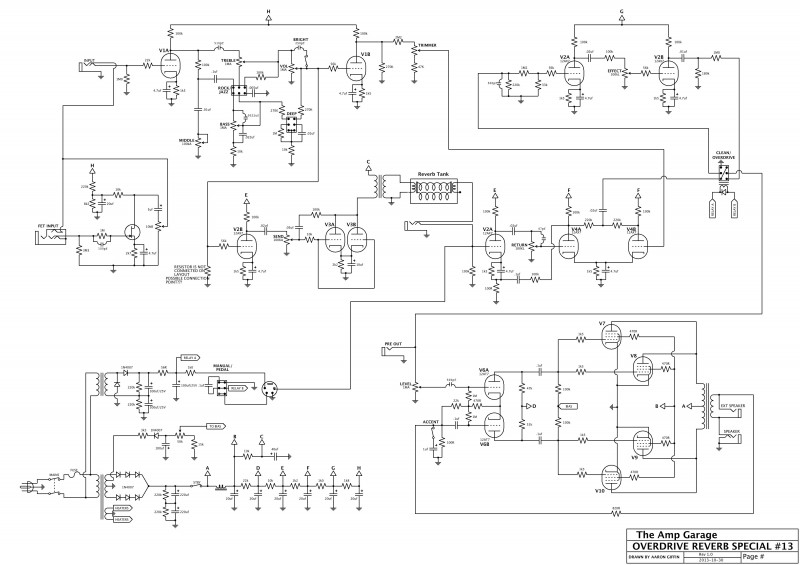
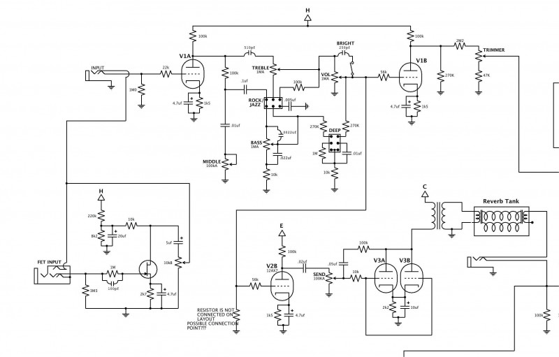
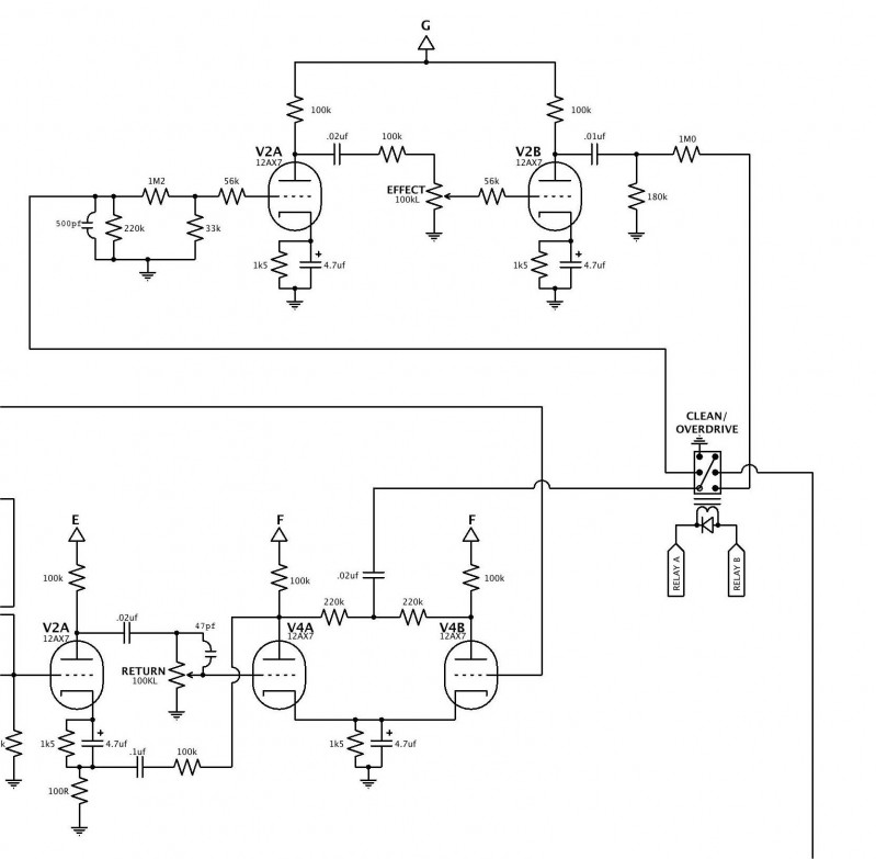
Il nous faudrait un schéma de Dumble avec reverb... !

Sinon pour tester, j'ai fait ça à intercaler sur le cable HP, un qui switche un qui joue !

j0k3335
oldamp a écrit :
Il nous faudrait un schéma de Dumble avec reverb... !


ODS13


IMAGE 1


IMAGE 2


IMAGE 3


IMAGE 4


comme il me ratatouille mon image de 4200 x 2970 pixels, je te l'ai découpé en plusieurs morceaux !!! ( ... c'est bien parce que c'est toi ... )

EDIT: ... oui tu noteras que, comme la partie power et alim ... cela fait encore très Fender

Je crois de toute façon, qu'au point où nous en sommes arrivés du développement des amplis lampes ( environ 70 ans ?) , c'est TRES difficile de concevoir quelque chose de réellement nouveau et , inévitablement, cela va avoir "un goût" de Fender, Marshall, Vox, Ampeg, Supro, ... ...
Après cela va se jouer sur des détails:

. ici, comme Randall Smith que j'évoquais plus haut, il y a l'étage d'OD en cascade: qui l'a inventé en premier, lui, Randall, ... ???

. ensuite, pour Dumble, il y a ces subtilités au niveau du Tone Stack avec le branchement spécial ( et différent de Fender) du potar de medium ( ce qui expliquerait justement beaucoup le coté 'médium' de ses/ces amplis. Et quelques variations et des valeurs de composants différents.

Ensuite on note une alimentation assez soignée ET surtout UN LAYOUT très chiadé ( ce n'est pas l'assiette de spaghettis de mes Fender P-T-P !!! )

... j'en vois déjà qui diront: ouais , rien de bien original

... auquel je répondrai : mais alors pourquoi n'avez vous pas été les premiers à y penser et à le concevoir. et rien ne vous empêche de concevoir quelque chose ... qui retentira de cette façon dans les annales de l'amplification guitare
Musician: Someone who puts $50,000 worth of gear into a $5,000 car to drive 100 miles to a $50 gig.
L'intelligence artificielle ne fait pas le poids face à la stupidité naturelle !
Nous sommes composés de 65% d'eau et de ... 35% de questions ...
... le moment est venu, quand l'heure est arrivée ...
j0k3335
... d'ailleurs, question: n'y-a-t-il pas une astuce pour éviter que nos images soient rétrécies de la sorte ???
Musician: Someone who puts $50,000 worth of gear into a $5,000 car to drive 100 miles to a $50 gig.
L'intelligence artificielle ne fait pas le poids face à la stupidité naturelle !
Nous sommes composés de 65% d'eau et de ... 35% de questions ...
... le moment est venu, quand l'heure est arrivée ...
Olric
  • Vintage Total utilisateur
  • #639
  • Publié par
    Olric
    le
Bah l'innovation c'est dans le camp du numérique maintenant. En analogique peut on attendre encore l'innovation ?
Me tirez pas dessus, j'ai pas de PEA !
milenko
  • Vintage Total utilisateur
j0k3335 a écrit :
... d'ailleurs, question: n'y-a-t-il pas une astuce pour éviter que nos images soient rétrécies de la sorte ???
Tu peux héberger ailleurs que sur G.com. Comme ça, tu gardes pas mal d'options de publication/qualité/taille.
Perso, j'utilise Flickr "par habitude", mais il existe de nombreux autres hébergeurs.
Kronenbourg à La Poste, Chronopost à la bourre !
oldamp
  • Vintage Méga utilisateur
j0k3335 a écrit :
... d'ailleurs, question: n'y-a-t-il pas une astuce pour éviter que nos images soient rétrécies de la sorte ???


J'utilise imgbb.com et ça accepte de gros fichiers !
j0k3335
milenko a écrit :
j0k3335 a écrit :
... d'ailleurs, question: n'y-a-t-il pas une astuce pour éviter que nos images soient rétrécies de la sorte ???
Tu peux héberger ailleurs que sur G.com. Comme ça, tu gardes pas mal d'options de publication/qualité/taille.
Perso, j'utilise Flickr "par habitude", mais il existe de nombreux autres hébergeurs.


ah, oui, merci , c'est une idée

EDIT: ... cela faisait longtemps que l'on ne t'avais pas vu ? ou on ne fréquente pas/plus les mêmes topics ?
en tout cas merci de ton intervention ... encore une fois utile ( ailleurs que dans le domaine de la médecine, si je me rappelle bien ... covid and co )

oldamp a écrit :
J'utilise imgbb.com et ça accepte de gros fichiers !


je note aussi
Musician: Someone who puts $50,000 worth of gear into a $5,000 car to drive 100 miles to a $50 gig.
L'intelligence artificielle ne fait pas le poids face à la stupidité naturelle !
Nous sommes composés de 65% d'eau et de ... 35% de questions ...
... le moment est venu, quand l'heure est arrivée ...
j0k3335
oldamp a écrit :
J'utilise imgbb.com et ça accepte de gros fichiers !


schema : https://ibb.co/1z2HvFp
Layout : https://ibb.co/TPbwNsp
Musician: Someone who puts $50,000 worth of gear into a $5,000 car to drive 100 miles to a $50 gig.
L'intelligence artificielle ne fait pas le poids face à la stupidité naturelle !
Nous sommes composés de 65% d'eau et de ... 35% de questions ...
... le moment est venu, quand l'heure est arrivée ...
TheSoulsRemain
Olric a écrit :
Bah l'innovation c'est dans le camp du numérique maintenant. En analogique peut on attendre encore l'innovation ?


oui il y en a ..mais c'est pas courant.



http://www.alsoaudio.com/dynaxm_eng.html
c'est Français en plus.....

Faut savoir aussi où on place le niveau d'innovation. Audient avait été aussi innovent à l'époque.

Les créateurs de S.L.A.M. aussi
Olric
  • Vintage Total utilisateur
  • #645
  • Publié par
    Olric
    le
En fait je parlai amplification guitare en général.
Me tirez pas dessus, j'ai pas de PEA !

En ce moment sur ampli et préampli guitare...