Marshall Class 5

Forum Marshall
Forums
Rappel du dernier message de la page précédente :
goku song
Doc Loco a écrit :
themidnighter a écrit :
Intéressant le class5. Bon en l'état il sonne comme de la merde


Euh ... non, vraiment pas.


Euh...chacun ces gouts
themidnighter
Doc Loco a écrit :
themidnighter a écrit :
Intéressant le class5. Bon en l'état il sonne comme de la merde


Euh ... non, vraiment pas.


Bon je rectifie. Il ne sonne pas exactement comme j'aimerais qu'il sonne.
Doc Loco
themidnighter a écrit :
Doc Loco a écrit :
themidnighter a écrit :
Intéressant le class5. Bon en l'état il sonne comme de la merde


Euh ... non, vraiment pas.


Bon je rectifie. Il ne sonne pas exactement comme j'aimerais qu'il sonne.


Là je comprend déjà mieux . Par ailleurs, j'ai aussi travaillé sur les lampes du mien, mais il y'a si longtemps que je ne sais plus ce que j'y ai mis car je ne l'ai plus ouvert depuis des années! Et aucun changement de composant. J'avais fait des essais de HP pour voir et celui d'origine est celui qui lui convient le mieux à mon avis. Dernier point: le mien est un Mark I.

Ta remarque m'avait fait bondir car je l'avais justement joué la veille, seul puis avec une fuzz Carcosa (tuerie) et finalement branché dans le 1960 et dans toutes les configurations ça sonnait superbe ... si on aime le son un peu granuleux: ce n'est définitivement pas le son lissé d'un JCM800 (que les gens associent souvent au "son Marshall"), on est plus dans un croisement JTM45/1987.

Dernier point: le réglage de basses est fondamental, comme sur un JTM45: avec le volume passé 5, on peut sans problème les baisser à 1 ou 2 si nécessaire (et booster les mids et treble quasi à fond), il en restera largement assez et ça clarifie le son (si c'est ce qui t'embête bien sûr). Un p'tit boost ou une tube Screamer a le même effet.
In rod we truss.

"Quelle opulence" - themidnighter

"It's sink or swim - shut up!"
MIA WALLACE
themidnighter a écrit :
Intéressant le class5. Bon en l'état il sonne comme de la merde, mais avec 5€ de composants et un Master volume on devrait en faire un ampli sympa.
Il faut que je teste d'autres lampes que celles que j'ai actuellement mais déjà avec des lampes neuves c'est le jour et la nuit.
Le hp m'a pas l'air terrible aussi. Avec quelques modifs je devrais arriver à un résultat satisfaisant.
La poignée est dégueulasse aussi. On va mettre une poignée façon jtm45 ça sera plus chic.


tu confonds avec le marshall code
Salut G.COM, ça roule ?

SUPERBUS , STRAY CATS , BRMC

"regarde-le moi ce communiste, je t'enverrais tout ça à Moscou"
themidnighter
Doc Loco a écrit :
Là je comprend déjà mieux . Par ailleurs, j'ai aussi travaillé sur les lampes du mien, mais il y'a si longtemps que je ne sais plus ce que j'y ai mis car je ne l'ai plus ouvert depuis des années! Et aucun changement de composant. J'avais fait des essais de HP pour voir et celui d'origine est celui qui lui convient le mieux à mon avis. Dernier point: le mien est un Mark I.

Ta remarque m'avait fait bondir car je l'avais justement joué la veille, seul puis avec une fuzz Carcosa (tuerie) et finalement branché dans le 1960 et dans toutes les configurations ça sonnait superbe ... si on aime le son un peu granuleux: ce n'est définitivement pas le son lissé d'un JCM800 (que les gens associent souvent au "son Marshall"), on est plus dans un croisement JTM45/1987.

Dernier point: le réglage de basses est fondamental, comme sur un JTM45: avec le volume passé 5, on peut sans problème les baisser à 1 ou 2 si nécessaire (et booster les mids et treble quasi à fond), il en restera largement assez et ça clarifie le son (si c'est ce qui t'embête bien sûr). Un p'tit boost ou une tube Screamer a le même effet.


Oui désolé. On oublie parfois la modération sur l'internet. My bad !
Et ce n'est clairement pas une merde pour le prix. On va dire qu'à ce prix si bas, c'est franchement pas un mauvais marshall comme certaines séries qu'ils ont pu faire à une époque.

D'abord je suis très habitué à mes clones high end de fender, alors du coup c'est un gros départ de mes points de référence.

Mais souvent certains amplis ont un son un peu agressif qui me donnent mal au crane et je dois avouer que ce petit class5 m'a rapidement collé un mal de tête que je n'ai pas d'habitude avec mes fender. Je vais tenter quelques modifs, si celà ne me plait pas je remettrais stock et il fera le bonheur de quelqu'un d'autre

Merci à shaolintao pour le prix sympathique qu'il m'a fait sur le sien.
themidnighter
Mikka Grytviken a écrit :
@themidnighter : Le son Marshall n'est peut-être simplement pas fait pour toi !?



Oui c'est fort probable ça aussi. Enfin pas sur que le class 5 soit représentatif du "son marshall" hein !

D'ailleurs pour ceux qui veulent s'amuser : http://www.mylespaul.com/forum(...)00168

http://www.heberger-image.fr/d(...)5.jpg

Bon et je confirme, je suis vraiment pas fan du HP de base. Branché sur le greenback de mon AC4HW1, c'est le jour et la nuit. Je me tâte donc à mettre un greenback 10" à la place du HP d'origine.

Sinon l'astuce du mode basse puissance avec la prise casque, c'est juste génial !!! Bon quand j'aurai monté le VVR j'en aurai surement plus besoin, mais actuellement c'est déjà bien cool.
shaolintao
themidnighter a écrit :
Je me tâte donc à mettre un greenback 10" à la place du HP d'origine.
Sinon l'astuce du mode basse puissance avec la prise casque, c'est juste génial !!! Bon quand j'aurai monté le VVR j'en aurai surement plus besoin, mais actuellement c'est déjà bien cool.

Je le jouais souvent en mode low power dans un greenback 12'' et ça le faisait bien, ça évite effectivement de se peter les oreilles et ça sonne pas mal
"Luke, quand je ne serai plus, le dernier des jedi tu seras."
"If it’s too loud, you’re too old !"Bill bokey

Fabrication de mon 4x12 marshall 1982B :
https://www.guitariste.com/for(...).html
Fabrication de mon JMP2204 :
https://www.guitariste.com/for(...).html
themidnighter
riptor a écrit :
millezotla a écrit :
Tu pourrais nous en dire plus sur les mods Lyle caldwell ?
Qu'as tu fait exactement ou changé ? Et surtout, est ce assez simple à faire ?


Oui c'est simple et peu couteux (une 10aine d'euros de composants).

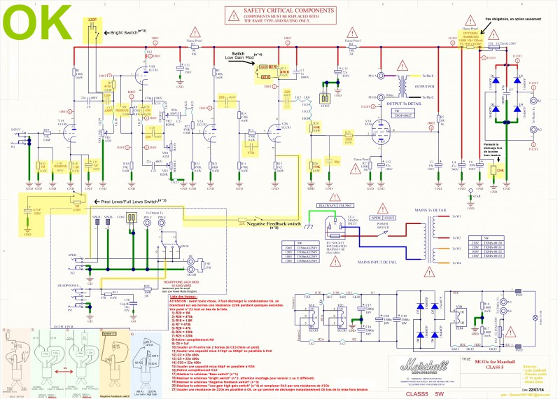
On modifie la valeur de certains composants, on ajoute un bright pour donner une brillance dans les aigu irrésistible, on ajoute un switch pour filtrer les basses, on obtient un accent dans les fréquences médium, on augmente l'impédance d'entrée, on ajoute un switch pour un crunch plus léger et rond, on améliore nettement le comportement des potards d'égalisation, on ajoute un switch de rétroaction négative.

Honnêtement l'ampli est grandement amélioré, surtout en se branchant dans un 2x12 g12h / g12m c'est....


Voici le schéma :


Ah ben je vois que je ne suis pas le premier à m'être penché sur le sujet.

Si certains veulent faire les mods, je peux aider.
millezotla
themidnighter a écrit :


Ah ben je vois que je ne suis pas le premier à m'être penché sur le sujet.

Si certains veulent faire les mods, je peux aider.


Alors la oui. Que peux tu faire pour nous ? Un petit tuto avec photos ?
Millezotla, esclave des temps modernes.
themidnighter
millezotla a écrit :
themidnighter a écrit :


Ah ben je vois que je ne suis pas le premier à m'être penché sur le sujet.

Si certains veulent faire les mods, je peux aider.


Alors la oui. Que peux tu faire pour nous ? Un petit tuto avec photos ?


Ca n'apporterait pas grand chose dans le sens où le plan est super explicite, il suffit de remplacer les composants, et d'assembler les switchs comme décrit. Et pour le Master volume c'est pareil, le net est pleins de photos.
millezotla
Alors merci de ton aide précieuse !
Millezotla, esclave des temps modernes.
PiPiRoSe
I'm just an average man with an average life
I work from nine to five, hey, hell, I pay the price
All I want is to be left alone in my average home
But why do I always feel like I'm in the twilight zone and?

mon meilleur montage grâce au pcb d un ami :
https://www.casimages.com/u/pi(...)2817/
MIA WALLACE
je plussoie !!!
Salut G.COM, ça roule ?

SUPERBUS , STRAY CATS , BRMC

"regarde-le moi ce communiste, je t'enverrais tout ça à Moscou"

En ce moment sur ampli et préampli guitare et Marshall...