MARSHALL Fan & User's Club

Forum Marshall
Forums
Rappel du dernier message de la page précédente :
SgG
  • SgG
  • Custom Top utilisateur
  • #20265
  • Publié par
    SgG
    le 27 Janv 2025, 08:09
Un petit air de Bree Van de Kamp (Desperate Housewives )
Mesa Boogie / Engl /NOS amp / EVH 5150 III /MusicMan / Esp / Gibson /Solar
PiPiRoSe
Ou la version eco +
I'm just an average man with an average life
I work from nine to five, hey, hell, I pay the price
All I want is to be left alone in my average home
But why do I always feel like I'm in the twilight zone and?

mon meilleur montage grâce au pcb d un ami :
https://www.casimages.com/u/pi(...)2817/
SgG
  • Custom Top utilisateur
  • #20267
  • Publié par
    SgG
    le
La version low-cost oui
Mesa Boogie / Engl /NOS amp / EVH 5150 III /MusicMan / Esp / Gibson /Solar
mbj335
  • Custom Top utilisateur
Biosmog a écrit :
djudjubanton a écrit :
Biosmog a écrit :
Je pensais à tort qu'on pouvait s'en tirer avec un truc cheap qui rabotte les quelques db de trop.
Mais merci pour ce point sur cette série qui semble très réussie. A part peut-être la question du design de la section puissance. Si c'est de toute façon largement trop fort pour être utilisé à sec, pourquoi Marshall n'a pas choisi des EL34, qui se seraient encore plus rapprochés des originaux?

Avec un SV20 ou un SC20, pour enlever quelques dB, je pense qu’un atténuateur cheap ferait l’affaire car il y a des aigus à profusion sur ces amplis. Sur le ST20 (le JTM) c’est moins sûr. Les basses sont moins tendues et il y a beaucoup moins d’aigus donc c’est fort possible qu’un atténuateur cheap ait un rendu très moyen. Même si la rectif à diodes (à la place de la rectif à lampe des JTM originaux) aide un peu, j’ai bien peur que ce ne soit pas suffisant. Après, un atténuateur milieu de gamme du genre TAD Silencer avec un switch bright (Bite) devrait bien s’en sortir.
Concernant les lampes, normalement ce sont des KT66 sur les JTM. Les 5881 sont bien moins chères et s’en rapprochent plus que les EL34 d’où le choix de Marshall.



OK. Je pensais qu'ils étaient passés de 50 à 20 watt en changeant de lampes. Ils ont changé la topologie. Et si je comprends bien, le gain de confort (et le changement de son) est minime. En conséquence, il faut toujours bien atténuer. C'est à tenir compte, parce que les atténuateurs, c'est une peu comme les brosses à dents. Cela ne se partage pas.


Salut les Marshalleux, j'en profite pour vous faire part de mes essais sur mon SV20C, c'est un super ampli qui sonne très fort, même en 5W c'est trop fort si on veut le faire cruncher pour une répète "normale", du coup j'ai essayé de mettre une pédale EHX signal pad dans la boucle d'effets, et à ma grande surprise le résultat est probant, c'est comme un master volume, je peux régler le grain de l'ampli exactement comme je veux à volume acceptable. Test video ici :
D'abord le feeling
manulonch
Mr Park a écrit :
Elle n'est pas plus grosse, mais tu as quand même besoin de beaucoup de sopalin pour l'utiliser.

Le sopalin c'est la vie, et je suis enrhumé de naissance.
Mr Park a écrit :
Je me suis toujours demandé: les gens qui jouent sur Explorer, ce sont les mêmes qui sont intéressés par la pédale MXR-Rockman?

Non, pas pour ma part...
Mr Park a écrit :
Si oui, qui sont-ils, quelles sont leurs relations? Comment trouvent-ils la force de se lever le matin?

Vu que non ta question est non avenue... ( j'aurais pu faire une blague au hasard sur la rupophobie , mais je suis bon prince)



Doug_Watson a écrit :
Manu, à ton âge, t'as pas droit à une aide ménagère ? C'est un peu le bordel chez toi

C'est mon atelier...
Et pour ta gouverne, au moment de la photo c'était très en ordre par rapport à " parfois "
PiPiRoSe
les mods du 1959 marshall :
vidéo :

pic1


pic2


bon ya un effort sur le câble rose et le turret board 8 trous pour faire vintage mais 3600 boules ....
qui vas acheter ca ????
I'm just an average man with an average life
I work from nine to five, hey, hell, I pay the price
All I want is to be left alone in my average home
But why do I always feel like I'm in the twilight zone and?

mon meilleur montage grâce au pcb d un ami :
https://www.casimages.com/u/pi(...)2817/
SgG
  • Custom Top utilisateur
  • #20271
  • Publié par
    SgG
    le
Les mêmes que ceux qui vont acheter les nouveau Mesa dual rectifier 2ch?
Mesa Boogie / Engl /NOS amp / EVH 5150 III /MusicMan / Esp / Gibson /Solar
Tele@Fender
PiPiRoSe a écrit :
les mods du 1959 marshall :
vidéo :

pic1


pic2


bon ya un effort sur le câble rose et le turret board 8 trous pour faire vintage mais 3600 boules ....
qui vas acheter ca ????



les mêmes qui achètent les friedman à plus de de 3000 balles
je suis pas client mais je vois l'intérêt si on est riches et qu'on sait pas faire les modifs soi même

et comme dit manulonch, s'ils sont tous faits aussi bien que celui pris en photo, ça fait chaud au coeur à regarder sur un marshall du commerce...
SgG
  • Custom Top utilisateur
  • #20274
  • Publié par
    SgG
    le
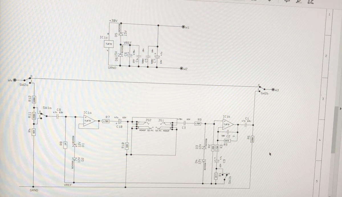
J’avais une question concernant une modification faite sur mon JCM800 Reissue (modif faite par l’ancien propriétaire chez Tonesilk).
Cette modification d’après le descriptif fait par Tonesilk à pour but de se rapprocher des ancien JCM800 originaux au niveau des aigus et du coffre.
En ouvrant mon JCM pour régler le bias la dernière fois, je pense avoir trouvé une modification effectivement mais je comprend pas en regardant les schémas, l’influence de cette modification.
Je vois que les résistances R31 et R32 ont été retirées et remplacées par des résistances plus grosses (1/2w mais pour leur valeurs j’ai pas mesuré encore) mais que surtout, elle sont plus implantées aux même endroit.
Elles ont été soudées en commun sur W1et leurs extrémités vont chacune sur W2 et l’autre sur W3.
Quand je regarde le schéma, je vois que W1,W2 et W3 sont sur la carte pcb de la boucle d’effet.
Quelle est pour vous le rapport de cette modification sur les aigus de l’ampli ?
J’avoue ne pas comprendre.
Pour info, les bright cap sont pas retirés sur l’ampli (je m’attendais plutôt à une modification ici mais visiblement non).
Surtout que initialement la R31 et R32 sur le schéma sont branché au niveau du VR2(Hum Balance).
Mesa Boogie / Engl /NOS amp / EVH 5150 III /MusicMan / Esp / Gibson /Solar
PiPiRoSe
sans photo ni plan moi je cale
I'm just an average man with an average life
I work from nine to five, hey, hell, I pay the price
All I want is to be left alone in my average home
But why do I always feel like I'm in the twilight zone and?

mon meilleur montage grâce au pcb d un ami :
https://www.casimages.com/u/pi(...)2817/
Doc Loco
Tele@Fender a écrit :


et comme dit manulonch, s'ils sont tous faits aussi bien que celui pris en photo, ça fait chaud au coeur à regarder sur un marshall du commerce...



Les Astorias étaient déjà super bien faits, donc quand ils veulent ils peuvent (quel que soit le propriétaire).
In rod we truss.

"Quelle opulence" - themidnighter

"It's sink or swim - shut up!"
SgG
  • Custom Top utilisateur
  • #20277
  • Publié par
    SgG
    le
JCM800 Résistance R31 et R32




Schéma JCM800




JCM800 boucle d’effet
Mesa Boogie / Engl /NOS amp / EVH 5150 III /MusicMan / Esp / Gibson /Solar
SgG
  • Custom Top utilisateur
  • #20278
  • Publié par
    SgG
    le
Voilà
Mesa Boogie / Engl /NOS amp / EVH 5150 III /MusicMan / Esp / Gibson /Solar
PiPiRoSe
sur la 1er photo le potar pour le "hum " est remplacé par des résistances
I'm just an average man with an average life
I work from nine to five, hey, hell, I pay the price
All I want is to be left alone in my average home
But why do I always feel like I'm in the twilight zone and?

mon meilleur montage grâce au pcb d un ami :
https://www.casimages.com/u/pi(...)2817/
SgG
  • Custom Top utilisateur
  • #20280
  • Publié par
    SgG
    le
Oui, du coup le potard VR2 n’est plus fonctionnel ? Il sert à quoi le potard « Hum Balance »?
On est d’accord que le fait de virer R31 et R33 rend le potard VR2 non opérationnel ?
C’est quoi le risque de plus avoir ce réglage ?
Mesa Boogie / Engl /NOS amp / EVH 5150 III /MusicMan / Esp / Gibson /Solar

En ce moment sur ampli et préampli guitare et Marshall...