MARSHALL Fan & User's Club

Forum Marshall
Forums
Rappel du dernier message de la page précédente :
SgG
  • SgG
  • Custom Top utilisateur
  • #20280
  • Publié par
    SgG
    le 28 Janv 2025, 19:32
Oui, du coup le potard VR2 n’est plus fonctionnel ? Il sert à quoi le potard « Hum Balance »?
On est d’accord que le fait de virer R31 et R33 rend le potard VR2 non opérationnel ?
C’est quoi le risque de plus avoir ce réglage ?
Mesa Boogie / Engl /NOS amp / EVH 5150 III /MusicMan / Esp / Gibson /Solar
PiPiRoSe
SgG a écrit :
Oui, du coup le potard VR2 n’est plus fonctionnel ? Il sert à quoi le potard « Hum Balance »?


oui le potar vr2 n est plus fonctionnel , il sert souvent a passer par la case réparateur surtout , il me semble que c est un truc qui arrive pas mal sur ceux la , le seul que j ai eu avais ca aussi et il me semble avoir fait kkchose de similaire
ya pas de modif de circuit au niveau de la boucle quoi
I'm just an average man with an average life
I work from nine to five, hey, hell, I pay the price
All I want is to be left alone in my average home
But why do I always feel like I'm in the twilight zone and?

mon meilleur montage grâce au pcb d un ami :
https://www.casimages.com/u/pi(...)2817/
SgG
  • Custom Top utilisateur
  • #20282
  • Publié par
    SgG
    le
PiPiRoSe a écrit :
sur la 1er photo le potar pour le "hum " est remplacé par des résistances


Je comprend pas ça comme ça moi.
D’après le schéma le fait de retirer R31 et R2 sans rien mettre à la place (c’est le cas non?) fait que il y a plus de Hum Balance du tout en faite.

Car les 2 grosses résistances qu’on voit ne sont pas montées en lieu et place de R31/32 mais sur un autre circuit qui n’a rien à voir non?
Mesa Boogie / Engl /NOS amp / EVH 5150 III /MusicMan / Esp / Gibson /Solar
SgG
  • Custom Top utilisateur
  • #20283
  • Publié par
    SgG
    le
Donc pour le fait de retirer le hum balance en coupant R31/32 j’ai bien compris que c’est pas plus mal.
Par contre c’est l’implantation des 2 grosses résistance entre w1,w2 et w3 comme j’ai expliqué au début, ça je comprend pas trop.
Mesa Boogie / Engl /NOS amp / EVH 5150 III /MusicMan / Esp / Gibson /Solar
PiPiRoSe
le fil vert noté gnd1 vas normalement au pot vr2 puis vas ensuite sur les résistances ( voir ton plan)
la modif c est au point gn1 il y a direct les résistances de connectées et elles vont directement sur les supports des résistances d origine , le potar vr2 et les 2 R d origines sont déconnectées du circuit il te reste juste les 2 résistances que tu as dessus , c est probablement plus fiable comme ca te tracasse pas , 2 resistances de 100 ohms en direct a la masse comme ta modif c est une valeur classique no problemo a mon avis



montage d origine


montage modifié :





modif
I'm just an average man with an average life
I work from nine to five, hey, hell, I pay the price
All I want is to be left alone in my average home
But why do I always feel like I'm in the twilight zone and?

mon meilleur montage grâce au pcb d un ami :
https://www.casimages.com/u/pi(...)2817/
SgG
  • Custom Top utilisateur
  • #20285
  • Publié par
    SgG
    le
Ah d’accord j’avais pas compris ça, mais effectivement en regardant ma photo, on voit les 2 pistes après les résistances qui rejoint les 2 fils noir.
Autant pour moi, donc cette modification c’est pour retirer la fonctionnalité du Hum Balance.

Donc la modification annoncée par Tonesilk pour corriger les aigus et donner plus de coffre à mon ampli ne vient pas de cette modification.
Il doit y avoir une modification ailleurs.
Mesa Boogie / Engl /NOS amp / EVH 5150 III /MusicMan / Esp / Gibson /Solar
SgG
  • Custom Top utilisateur
  • #20286
  • Publié par
    SgG
    le
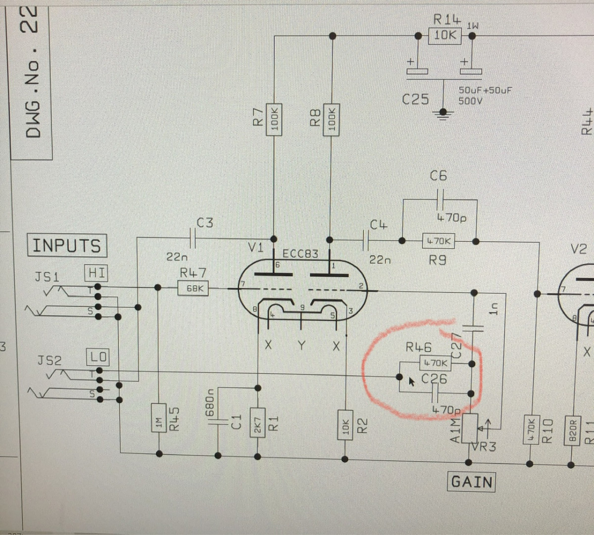
Peut-être au niveau des bright caps et de la résistance en parallèle (R46 et C26)
Ils les ont peut-être remplacés par des valeurs moins importantes.



Bright caps


Bright caps
Mesa Boogie / Engl /NOS amp / EVH 5150 III /MusicMan / Esp / Gibson /Solar
manulonch
SgG a écrit :
Peut-être au niveau des bright caps et de la résistance en parallèle (R46 et C26)
Ils les ont peut-être remplacés par des valeurs moins importantes.

Mwé, en général ça vient de ce coin là, ou des resistances/condos au niveau des cathodes.
manulonch
Doc Loco a écrit :
Les Astorias étaient déjà super bien faits, donc quand ils veulent ils peuvent (quel que soit le propriétaire).

Clairement les Astorias sont très bien fait, Mako amp faisaient également des PCB/turrets board , je ne sais pas qui a pompé sur l'autre (d'autres ont du faire pareil...).
Et si un jour je dois fabriquer en série ce serait ce que je ferais également.
SgG
  • Custom Top utilisateur
  • #20289
  • Publié par
    SgG
    le
manulonch a écrit :
SgG a écrit :
Peut-être au niveau des bright caps et de la résistance en parallèle (R46 et C26)
Ils les ont peut-être remplacés par des valeurs moins importantes.

Mwé, en général ça vient de ce coin là, ou des resistances/condos au niveau des cathodes.


En tout cas souvent, ils retirent les 2 petits Condo et ils réduisent la valeur de la résistance entre le jack entrée low et le potard de gain mais là visiblement c’est pas le cas.
Après il y en a qui sont pour et d’autres contre cette méthode.
Je crois que c’est efficace à faible volume mais ça perds son intérêt à fort volume non?
Mesa Boogie / Engl /NOS amp / EVH 5150 III /MusicMan / Esp / Gibson /Solar
PiPiRoSe
sur ta photo je distingue juste une patte du bright cap coupée et fais gaffe que la patte en l air ne touche pas la carcasse du potentiomètre , si il y a d autres modifs il faut une photo d ensemble
I'm just an average man with an average life
I work from nine to five, hey, hell, I pay the price
All I want is to be left alone in my average home
But why do I always feel like I'm in the twilight zone and?

mon meilleur montage grâce au pcb d un ami :
https://www.casimages.com/u/pi(...)2817/
SgG
  • Custom Top utilisateur
  • #20292
  • Publié par
    SgG
    le
Ah oui bien vu pour la patte, j’ai l’impression qu’ils ont même coupé une patte sur les 2 condos (celui entre l’entrée low et le gain et celui sur le gain).
Il va falloir que je l’ouvre à nouveau pour m’en assurer.

J’avais pris d’autres photos quand j’avais réglé le bias.
Je vais les mettre.
Mesa Boogie / Engl /NOS amp / EVH 5150 III /MusicMan / Esp / Gibson /Solar
SgG
  • Custom Top utilisateur
  • #20293
  • Publié par
    SgG
    le
Marshall JCM800



Marshall JCM800 2




Marshall JCM800 3




Marshall JCM800 4


Marshall JCM800 5


Marshall JCM800 7


Marshall JCM800 8
Mesa Boogie / Engl /NOS amp / EVH 5150 III /MusicMan / Esp / Gibson /Solar
SgG
  • Custom Top utilisateur
  • #20294
  • Publié par
    SgG
    le
Sur la photo 7 j’ai l’impression qu’ils ont coupé que la patte du condo soudé sur le potard du gain.
Mesa Boogie / Engl /NOS amp / EVH 5150 III /MusicMan / Esp / Gibson /Solar
PiPiRoSe
SgG a écrit :
Sur la photo 7 j’ai l’impression qu’ils ont coupé que la patte du condo soudé sur le potard du gain.


oui c est ce qu il me semble a moi aussi , le reste parait d origine bien que je ne sois pas le plus familier avec cette version reissue
I'm just an average man with an average life
I work from nine to five, hey, hell, I pay the price
All I want is to be left alone in my average home
But why do I always feel like I'm in the twilight zone and?

mon meilleur montage grâce au pcb d un ami :
https://www.casimages.com/u/pi(...)2817/

En ce moment sur ampli et préampli guitare et Marshall...