MARSHALL Fan & User's Club

Forum Marshall
Forums
Rappel du dernier message de la page précédente :
violet-burning
bon urgent cherches technicien ampli lampe dans le 76
mon ampli Marshall encore sous garanti chez sono vente qui ces derniers refusent de prendre cars j'ai changé le hp et les tubes de préampli.
j'ai de gros craquement qui disparaissent une fois penché vers l'arrière mais j'ai une liste de concert a faire d'ici la fin de l'année et je me retrouve dans la merde sans ampli
merci d'avance
PiPiRoSe
violet-burning a écrit :
bon urgent cherches technicien ampli lampe dans le 76
mon ampli Marshall encore sous garanti chez sono vente qui ces derniers refusent de prendre cars j'ai changé le hp et les tubes de préampli.
j'ai de gros craquement qui disparaissent une fois penché vers l'arrière mais j'ai une liste de concert a faire d'ici la fin de l'année et je me retrouve dans la merde sans ampli
merci d'avance

sympa sono vente
I'm just an average man with an average life
I work from nine to five, hey, hell, I pay the price
All I want is to be left alone in my average home
But why do I always feel like I'm in the twilight zone and?

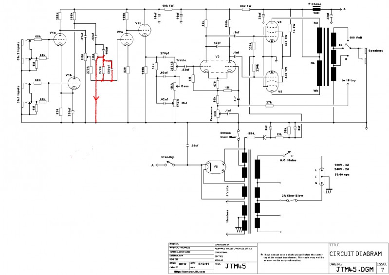
mon meilleur montage grâce au pcb d un ami :
https://www.casimages.com/u/pi(...)2817/
oldamp
  • Vintage Méga utilisateur
totoleheron a écrit :


Je sais que je vais pouvoir attendre longtemps des précisions qui ne viendront jamais puisque c'est n'importe quoi.

.




hé ho ! on a le droit d'avoir une vie à coté du bricolage ? c'est l'été, faut en profiter

Mais rapidement, sur le canal bright, un condo en // du potar, ça fait un 1er filtre et un condo en // de la résistance de mélange ça fait un 2eme filtre.

Ton cas où, branché dans un canal et le potar du même canal à zéro, tu entends dans l'autre canal en montant son potard, ça doit rester un son assez faible et ça doit venir d'induction entre fils d'anode du 1er canal et fils d'entrée du 2eme... ce genre d'induction entrée-sortie fait que sur certains amplis, même potard à zéro tu as du son (faible).
oldamp
  • Vintage Méga utilisateur
violet-burning a écrit :
bon urgent cherches technicien ampli lampe dans le 76
mon ampli Marshall encore sous garanti chez sono vente qui ces derniers refusent de prendre cars j'ai changé le hp et les tubes de préampli.
j'ai de gros craquement qui disparaissent une fois penché vers l'arrière mais j'ai une liste de concert a faire d'ici la fin de l'année et je me retrouve dans la merde sans ampli
merci d'avance


tu as regardé dans la liste en haut des forums ?

https://www.guitariste.com/for(...).html
violet-burning
oldamp a écrit :
violet-burning a écrit :
bon urgent cherches technicien ampli lampe dans le 76
mon ampli Marshall encore sous garanti chez sono vente qui ces derniers refusent de prendre cars j'ai changé le hp et les tubes de préampli.
j'ai de gros craquement qui disparaissent une fois penché vers l'arrière mais j'ai une liste de concert a faire d'ici la fin de l'année et je me retrouve dans la merde sans ampli
merci d'avance


tu as regardé dans la liste en haut des forums ?

https://www.guitariste.com/for(...).html

merci je viens de voir qu'il y en avait un pas loin de chez moi
bill bokey
oldamp a écrit :


Ton cas où, branché dans un canal et le potar du même canal à zéro, tu entends dans l'autre canal en montant son potard, ça doit rester un son assez faible et ça doit venir d'induction entre fils d'anode du 1er canal et fils d'entrée du 2eme... ce genre d'induction entrée-sortie fait que sur certains amplis, même potard à zéro tu as du son (faible).


Non, c'est toujours cette histoire de diviseur de tension dont je parle depuis quelques pages. Quand la guitare est branchée dans une entrée il y a quand même du son même quand les potards sont à zéro. Quand on monte le volume de l'autre canal le signal est modifié par le changement de valeurs du diviseur de tension.
Castle Made of Sound (tube amp workshop) :

www.castlemadeofsound.com

https://www.guitariste.com/for(...).html
Maxcreed
manulonch a écrit :
ça ne serait pas plus simple avec un dessin ??


Retourne dans ta cave toi !
J'vais lui montrer qui c'est Raoul. Aux quat' coins d'Paris qu'on va l'retrouver éparpillé par petits bouts, façon Puzzle. Moi, quand on m'en fait trop j'correctionne plus : j'dynamite, j'disperse, j'ventile.

T'en veux ?

- Hauts-Parleurs Splawn Small-Block 55 - Eminence comme neufs :
https://www.guitariste.com/for(...).html
totoleheron
manulonch a écrit :
totoleheron a écrit :
Alors j'attends?
Je sais que je vais pouvoir attendre longtemps des précisions qui ne viendront jamais puisque c'est n'importe quoi.


Si on attend autant que pour tes samples, c'est vrai que de l'eau va passer sous le pont !
Mais si tu en sais plus, éclaire nous de ton génie !

Qu'est-ce qu'ils ont mes samples? Venant de quelqu'un qui n'en a jamais posté, je te le redis retourne dans ta cave ou va lever la patte ailleurs.
totoleheron
oldamp a écrit :
totoleheron a écrit :
Je sais que je vais pouvoir attendre longtemps des précisions qui ne viendront jamais puisque c'est n'importe quoi.

hé ho ! on a le droit d'avoir une vie à coté du bricolage ? c'est l'été, faut en profiter

Mais rapidement, sur le canal bright, un condo en // du potar, ça fait un 1er filtre et un condo en // de la résistance de mélange ça fait un 2eme filtre.

Ton cas où, branché dans un canal et le potar du même canal à zéro, tu entends dans l'autre canal en montant son potard, ça doit rester un son assez faible et ça doit venir d'induction entre fils d'anode du 1er canal et fils d'entrée du 2eme... ce genre d'induction entrée-sortie fait que sur certains amplis, même potard à zéro tu as du son (faible).

Non ca ne vient pas des anodes mais tu n'es plus très loin des cathodes. Tu as du aller te brancher dans un jtm ou autre.
Ta théorie ne va pas tarder à ressembler à la mienne.

Vas y, fais moi un beau dessin maintenant que tu es rentré de vacances, comme ca on pourra finir.
Dessines moi les filtres.

manulonch
totoleheron a écrit :
manulonch a écrit :
totoleheron a écrit :
Alors j'attends?
Je sais que je vais pouvoir attendre longtemps des précisions qui ne viendront jamais puisque c'est n'importe quoi.


Si on attend autant que pour tes samples, c'est vrai que de l'eau va passer sous le pont !
Mais si tu en sais plus, éclaire nous de ton génie !

Qu'est-ce qu'ils ont mes samples? Venant de quelqu'un qui n'en a jamais posté, je te le redis retourne dans ta cave ou va lever la patte ailleurs.


Tu fais une fixette sur les caves toi... On a du t'y enfermer quand t'étais petit pour te calmer quand tu faisais chier ton monde !!

Et pour les samples, j'en ai posté y'a longtemps, disparus depuis.
caribou71
Il y a moyen de discuter sans vous provoquer et vous insulter ?

Merci de calmer le débat, sinon il y aura sanctions.

Merci.

En ce moment sur ampli et préampli guitare et Marshall...