Nouveautés Marshall !!! Série VINTAGE MODERN !!!

Forum Marshall
Forums
Rappel du dernier message de la page précédente :
PiPiRoSe
150 ohms ou bien ce que tu as a disposition jusqua 280 ohms d après ce que j ai pu lire sur le net
va pas payer 10€ de port pour commander une résistance c'est ce que je veux dire .
I'm just an average man with an average life
I work from nine to five, hey, hell, I pay the price
All I want is to be left alone in my average home
But why do I always feel like I'm in the twilight zone and?

mon meilleur montage grâce au pcb d un ami :
https://www.casimages.com/u/pi(...)2817/
sonicblue
ok merci les gars !!! du coup j'ai la flemme de démonter le PCB du châssis pour dessouder la R72, donc si je met une resistance 82 ohms en série entre le pin 22 et la LED ça fera l'affaire ? du type celle là : http://www.conrad.fr/ce/fr/pro(...)=list
PiPiRoSe
oui qui peux le plus peut le moins
si ta tu peux i aller
I'm just an average man with an average life
I work from nine to five, hey, hell, I pay the price
All I want is to be left alone in my average home
But why do I always feel like I'm in the twilight zone and?

mon meilleur montage grâce au pcb d un ami :
https://www.casimages.com/u/pi(...)2817/
sonicblue
Cool merci !


allez, un petit coup de vintage modern bien représentatif !
PiPiRoSe
tu veux voir un vm qui a du poil sur le torse
I'm just an average man with an average life
I work from nine to five, hey, hell, I pay the price
All I want is to be left alone in my average home
But why do I always feel like I'm in the twilight zone and?

mon meilleur montage grâce au pcb d un ami :
https://www.casimages.com/u/pi(...)2817/
manulonch
sonicblue a écrit :
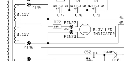
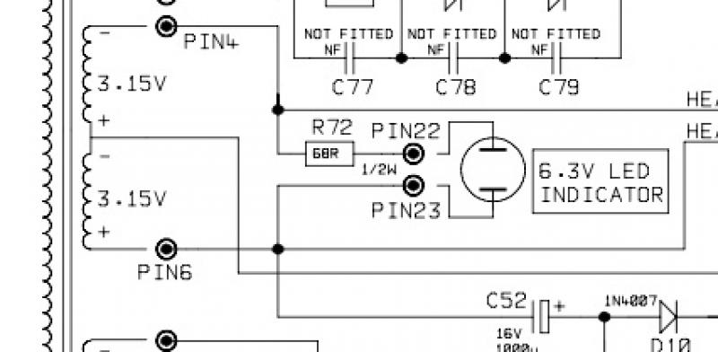
Oui tout à fait R72 avec 68 ohms :


En gros un 150 ohms augmenterai la durée de vie de ma LED ?


Oui ou un petit trimer de 220 ohms, comme ça tu peux régler.
Et tu mets une 1n4007 en série pour éviter à la Led de bloquer en permanence, pas obligatoire, mais pour ce que ça coute...
totoleheron
oldamp a écrit :
la solution de mettre une 1N400x en série n'est pas bête aussi, ça abaisse la tension de 0.6 V et donc tu "ménages " ta LED qui se trouve alimentée par 2.45V au lieu de 3.15!

En série relié cathode à cathode?
Moi je dirais que la led voit un potentiel de 6.3 x Rac(2) - R72 x Idiode
totoleheron
sonicblue a écrit :
ok merci les gars !!! du coup j'ai la flemme de démonter le PCB du châssis pour dessouder la R72, donc si je met une resistance 82 ohms en série entre le pin 22 et la LED ça fera l'affaire ? du type celle là : http://www.conrad.fr/ce/fr/pro(...)=list

Ca fera l'affaire pour quoi? Est-ce que tu sais au moins ce que tu veux faire? Quelle est la cause de ton problème?
sonicblue
totoleheron a écrit :
sonicblue a écrit :
ok merci les gars !!! du coup j'ai la flemme de démonter le PCB du châssis pour dessouder la R72, donc si je met une resistance 82 ohms en série entre le pin 22 et la LED ça fera l'affaire ? du type celle là : http://www.conrad.fr/ce/fr/pro(...)=list

Ca fera l'affaire pour quoi? Est-ce que tu sais au moins ce que tu veux faire? Quelle est la cause de ton problème?


Mon objectif est de garder en vie ma LED le plus longtemps possible, existe t'il une solution électronique pour préserver la LED. une LED tout les ans c'est un peu lourd, alors comment palier au problème électronique(et visiblement c'est un problème récurent sur les premiers modèles de VM). Je suis preneur d'une solution simple qui corresponde à mes notions de base et la résistance en série me plait bien. Celle de manulonch parait interessante également.
En tout cas merci à tous !

Citation:
tu veux voir un vm qui a du poil sur le torse


Sous stéroïde, le mien est Bio
totoleheron
sonicblue a écrit :
totoleheron a écrit :
sonicblue a écrit :
ok merci les gars !!! du coup j'ai la flemme de démonter le PCB du châssis pour dessouder la R72, donc si je met une resistance 82 ohms en série entre le pin 22 et la LED ça fera l'affaire ? du type celle là : http://www.conrad.fr/ce/fr/pro(...)=list

Ca fera l'affaire pour quoi? Est-ce que tu sais au moins ce que tu veux faire? Quelle est la cause de ton problème?


Mon objectif est de garder en vie ma LED le plus longtemps possible, existe t'il une solution électronique pour préserver la LED. une LED tout les ans c'est un peu lourd, alors comment palier au problème électronique(et visiblement c'est un problème récurent sur les premiers modèles de VM). Je suis preneur d'une solution simple qui corresponde à mes notions de base et la résistance en série me plait bien. Celle de manulonch parait interessante également.
En tout cas merci à tous !

Citation:
tu veux voir un vm qui a du poil sur le torse


Sous stéroïde, le mien est Bio

Quand je te demande ce que tu veux cela sous entend est-ce que tu veux résoudre le problème. Sous entendu, quel est le problème?

Si tu places une résistance en série ca veut dire que tu considères que le circuit est mal dimensionné ou supporte une surcharge de tension (passagère).
Mal dimensionné je ne le pense pas. Le transfo délivre 6.35volt efficace soit + en valeur maximale et la résistance qui existe déjà est bien là pour faire redescendre la tension à la valeur nécessaire pour la diode.
Est-ce qu'il y a une surtension passagère qui à la longue dégrade la diode c'est possible mais de quelle nature est-elle?
Il faudrait mesurer pour voir si c'est en régime permanent ou si on ne voit rien.
Dans le second cas ca introduit un problème de régime transitoire.
Lorsque tu mets un circuit sous tension il se passe des phénomènes transitoires pendant quelques millisecondes. Lors de cet état on peut voir apparaitre des pics de tension et de courant importants.
Il est possible que chaque fois que tu démarres l'ampli ce soit le cas et que ta diode voit une charge à ses bornes qu'elle n'est pas censée supporter et à la longue elle claque.
Dans ce cas la diode en parallèle est une solution dans le sens qu'elle va éviter une tension inverse trop grande pour la diode lors de ce régime transitoire.
Une autre cause serait l'exposition à une charge électrostatique qui endommage la diode.
Je ne connais pas ce problème c'est évoqué sur le forum marshall.
Ou alors il y a autre chose.
Tu peux faire des mesures?

Si tu rajoutes une résistance le courant va diminuer et donc elle éclairera moins.
oldamp
  • Vintage Méga utilisateur
tu mets une bête R de 100 ohms 1/2 W en série avec ta LED et c'est bon. coût 20 cts...
faut juste faire des soudures propres...

diodes en série : les deux dans le même sens... I sera bien sûr le même mais V sera diminué de la tension direct de la diode SI soit 0.6V...
totoleheron
oldamp a écrit :
diodes en série : les deux dans le même sens... I sera bien sûr le même mais V sera diminué de la tension direct de la diode SI soit 0.6V...

Ca n'est pas ce que le gars a indiqué sur le forum marshall.
Je pense qu'il s'est trompé, il voulait dire parallèle, donc connexion de cathode à cathode.
totoleheron
Le problème a été résolu en 2007 par Marshall avec l'utilisation d'une Led qui comporte une autre diode en parallèle. Cependant des amplis ont continué à être revendu avec les anciennes LEDs par les revendeurs.
Il faut te rapprocher de Marshall UK pour obtenir cette LED.

Tu peux remercier Steve Dawson pour ce conseil.
Outmax
  • Custom Ultra utilisateur
Déterrage pour connaitre un peu vos expériences sur cette série, plus particulièrement les 50w : des soucis de fiabililté ? Vibrations, usure sur les combos ? Merci
You can kiss my axe !
sonicblue
j'ai un 2266H 50W que j'aime beaucoup, couplé à un 1960AX greenback et LP humbucker, j'utilise uniquement le Low dynamic range (vintage) qui correspond plus à mon besoin, j'arrive à un voicing type JTM45/limite plexi : j'arrive à du AC/DC des premiers albums, The Darkness, Airbourne... Je trouve le son trop tranchant sans mid boost pour moi. Le master volume est plutôt progressif et même à bas volume ça sonne pas trop plat même si il donne mieux quand on le pousse. Je trouve qu'il sonne tout de même moins fort que mon Silver jubilee 50W même si il n'y a pas de problème en groupe.

L'eq et surtout le potard de présence sont plutôt inefficace, tout se passe sur le réglage du body et détail de mon point de vue (un gain chargé de bass et un gain treble). je ne suis pas homme d'effet mais je l'utilise avec un clean boost uniquement, toujours en low dynamic Range, pour pousser vers le son plexi. Je suis incapable de donner un avis sur la reverb, je l'ai trop peu utilisé et je n'utilise pas la boucle d'effet.

Question fiabilité, je n'ai jamais eu de problème avec mon VM si ce n'est cette satanée LED violette qui claque tout le temps, mais visiblement il existe une technique pour régler le problème.

Je ne parlerai pas trop du high dynamic range, je ne l’utilise pas du fait qu'il partage l'EQ, la présence et le gain et il fait moins bien (ou plutôt correspond moins à ce que j'attends) que mon autre marshall silver jubilee.

C'est un ampli que j'ai toujours vu encensé sur le net, mais qu'on voit très peu utilisé sur scène par les pros. Peut être trop rigide par le fait qu'il soit monocanal, partage de l'eq, et qu'on lui préférera un bon JTM45/JMP comparé à son voicing vintage. Et puis qu'il faut jouer du volume de guitare pour passer sur un son plus clean. Peut être que le tolex violet fait fuir les guitaristes ?!? Le top c'est qu'on le trouve à des prix relativement bas en occasion.

sonicblue
totoleheron a écrit :
Le problème a été résolu en 2007 par Marshall avec l'utilisation d'une Led qui comporte une autre diode en parallèle. Cependant des amplis ont continué à être revendu avec les anciennes LEDs par les revendeurs.
Il faut te rapprocher de Marshall UK pour obtenir cette LED.

Tu peux remercier Steve Dawson pour ce conseil.


Voilà un an après je m’intéresse de nouveau à la résolution de la LED qui claque à chaque fois.
J'ai contacté Marshall par courriel à plusieurs reprises mais n'ai jamais eu de retour et j'ai laissé en suspens.
Du coup dernièrement j'ai pris contact avec un utilisateur qui a fixé le problème en intercalant un pont de diode "rectifier".

il me dit : "les deux pattes d'entrée du pont de diode sur le pin 22 et 23 et les deux pattes de sortie sur la LED violette".

Du coup ma question aux techos du fofo : quel modèle de rectifier je peux utiliser ? vous avez une réf à me proposer ?
Celle ci pourrai convenir en 2,5A ? : http://www.ebay.fr/itm/SKB2-04(...)T9E7H

ou en 1.7A :
http://www.ebay.fr/itm/FULL-WA(...)WkQeY

Merci

En ce moment sur ampli et préampli guitare et Marshall...