THE EDGE - The Irish Bell - topic récaptulatif (ou presque)

Rappel du dernier message de la page précédente :
harlock73
J'aurais tendance à dire qu'il s'agit de ca
Strat micro manche , sdd3000, vox... Le vox étant largement booster par le preamp du sdd, il y a aussi du delay, 296 ms il me semble,pour les passages saturer c'est la bigmuff
A moi
Sur silver and gold, le tremolo... C'est celui du vox ?
Matpel
  • Special Cool utilisateur
Juste une petite précision : les vieux vox n'avaient pas de section tremolo (oscillation du volume) mais une section vibrato (oscillation de la tonalité).
Merci de votre attention durant cette intervention fort chiante et qui ne répond en rien à la question .
harlock73
C'est exact l'effet sur le vox s'appelle vibrato mais propose un réglage de speed et l'autre vib-trem, trem pour tremolo, plus tu déplace ce potard et plus l'effet passe du vibrato au plus marqué tremolo,à l'époque de silver and gold dans son rack si je me souviens bien le seul multieffet et le spx90, je sais même pas si ce rack fait tremolo...tu me met le doute maintenant ce son qu'il a sur ce morceau est particuliers ya un mouvement de volume c'est sur
Mikka Grytviken
Les anglophones eux mêmes ne sont pas d'accord sur le terme à employer mais ce qui est sûr c'est que techniquement un ampli à tube avec "Tremolo/Vibrato" n'étai en mesure de n'agir uniquement sur l'effet de variation de volume et pas de tonalité.
piouk
  • Special Méga utilisateur
harlock73 a écrit :
J'aurais tendance à dire qu'il s'agit de ca
Strat micro manche , sdd3000, vox... Le vox étant largement booster par le preamp du sdd, il y a aussi du delay, 296 ms il me semble,pour les passages saturer c'est la bigmuff
A moi
Sur silver and gold, le tremolo... C'est celui du vox ?


Une réponse, merci pour ce réglage que je vais essayer de suite.
U2 zoo TV tour 92-93 Metallica Nowhere Else to Roam Tour 93
Matpel
  • Special Cool utilisateur
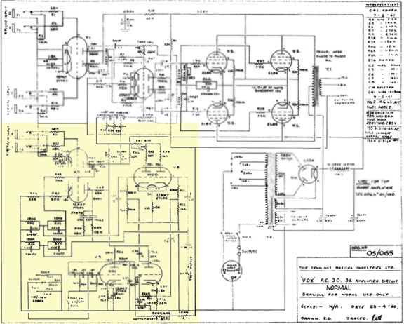
J'avais compris en lisant ceci (voir ci dessous), que les amplis Vox époque JMI étaient dotés d'un Vibrato qui a été abandonné plus tard au profit d'un tremolo, bien plus simple (donc moins cher) et plus populaire.

Ma source :

Citation:
"Vib/Trem" was an original feature of JMI Vox amps made in the 1960's. The "Vib/Trem" effect was unique to the Vox AC-30. Many amps feature "tremolo." In technical terms, tremolo is "variable amplitude modulation." Simply stated, this means a pulsing of the loudness of the output amplifier at different speeds and depth. This is not a difficult effect to design into a guitar amp. Vibrato, on the other hand is "variable frequency modulation." This involves the wavering of pitch. A much more complicated circuit is needed to create the vibrato effect in a guitar amplifier. Looking at the schematic for a 1960s era Vox AC-30 with "Vib/Trem" in the image below highlights the complexity of this circuitry. The area highlighed in yellow shows the part of the circuit devoted to "Vib/Trem."




dispo ici

http://www.voxshowroom.com/uk/(...).html
gautearz
harlock73 a écrit :
C'est exact l'effet sur le vox s'appelle vibrato mais propose un réglage de speed et l'autre vib-trem, trem pour tremolo, plus tu déplace ce potard et plus l'effet passe du vibrato au plus marqué tremolo,à l'époque de silver and gold dans son rack si je me souviens bien le seul multieffet et le spx90, je sais même pas si ce rack fait tremolo...tu me met le doute maintenant ce son qu'il a sur ce morceau est particuliers ya un mouvement de volume c'est sur


Je l'ai eu le SPX90, il y a bien un effet de tremolo possible dessus, après je ne sais pas du tout si c'est ce rack qu'il utilisé pour l'effet de Silver and Gold... si mes souvenir son bon sur le SPX90, Edge utilisait l'effet N°34 d'usine, symphonic quelque chose pour Jouer DESIRE version ZOO TV avec le son Flanger si particulier... Bon vieux Rack de reverb et de modulation
Bonjour bonjour tout le monde!!
Un petit message pour vous dire que je vous recommande trés chaudement si vous avez la possibilité d'essayer la strato the edge!! Un vrai bijoux👍💕
Salut à tous!

J'aimerais m'acheter une Fernandes Retrorocket Elite avec le kit sustainer + micros Hotrails.

Le problème c'est que je n'arrive pas du tout à savoir comment procéder depuis le site du fabriquant et je ne trouve rien sur d'autre sites.

Est-ce que quelqu'un s'est déjà penché sur la question?

Mieux encore, est-ce que l'un d'entre vous en possède une qu'il voudrait vendre?

Merci
fylyp
  • Custom Cool utilisateur
Messieurs dames,

M'etant apercu que l association Mini Fuzz Face et Wah donnait quelque chose qui ressemble a la Fuzz modifiée utilisée par The Edge sur le Elevation, j ai tenté le coup...

C'est evidemment pas identique, mais avec un peu d'magination, meme le fan q je suis se laisse prendre

Hehe



Peut etre un test Whammy a venir...soon...
Mon groupe
https://www.bandmix.fr/soundshaker/

Démos diverses :
https://soundcloud.com/fyl_music

Cover Rival Sons, U2, Pearl Jam etc....
https://www.youtube.com/user/fylyp

"Le snobisme c'est une bulle de Champagne qui hésite entre le rot et le pet"
harlock73
Hello les edgiens.
Je viens de prendre le DVD du concert de décembre 2015,il est excellent je trouve ,les morceaux du dernier album rendent bien mieux en live
Vu le rack de thé edge actuellement ya un truc que j'aimerais savoir , se sert t'il à votre avis des simulations d'ampli? Ou que des vox et fender ? Si il se sert de ses simu passent t elles par les amplis ou vont t elles en consoles ?
fylyp
  • Custom Cool utilisateur
harlock73 a écrit :
Hello les edgiens.
Je viens de prendre le DVD du concert de décembre 2015,il est excellent je trouve ,les morceaux du dernier album rendent bien mieux en live
Vu le rack de thé edge actuellement ya un truc que j'aimerais savoir , se sert t'il à votre avis des simulations d'ampli? Ou que des vox et fender ? Si il se sert de ses simu passent t elles par les amplis ou vont t elles en consoles ?


Salut m'sieur

Tres juste pour le dvd/blu ray, vraiment nickel, bien meilleur q celui du 360 Tour
Meme si je fais le meme reproche, on entend pas assez le public pendant certaines chansons, ca donne un cote trop lisse...

Sinon, pour ta question technique...Je serai surpris que Edge utilise les simus d'ampli
Mais apres tout, pourquoi pas hein

J'ai pas vu d'autres ampli a part les Vox et Fender...A voir, ptet Lemg a une idée, comme d'hab lol

Sinon, je vais ptet postuler pour jouer One a la place de Bono...je suis pas moins bon lol

Mon groupe
https://www.bandmix.fr/soundshaker/

Démos diverses :
https://soundcloud.com/fyl_music

Cover Rival Sons, U2, Pearl Jam etc....
https://www.youtube.com/user/fylyp

"Le snobisme c'est une bulle de Champagne qui hésite entre le rot et le pet"
EdgeeeExplorer
Bonjour à tous...

A peu près 6 ans que je suis pas revenu ici, ça fait bizarre de revoir les mêmes (Harlock, avec qui j'ai passé des soirées sur MSN pour qu'il m'apprenne les réglages, comment brancher les pédales dans le bon ordre etc...).
J'avais 15 ans à l'époque, j'ai relu tous les messages et mon dieu.. quel gamin !
Je reviens ici parce que finalement quand on aime U2 et The Edge on ne peut se lasser pour toute une vie.. Et c'est le DVD du live à Paris qui m'a redonné cette passion, or j'ai vendu mon AC4, mon m13, mon DD20.. tout ça pour avoir des thunes il y a 4 ans.. Quelqu'un qui vend le matériel de base que tout bon passionné du son de notre cher Edge connait et a déjà possédé ?

Merci à tous, au plaisir de vous reparler !
"A mon sens, la musique renforce, aussi bien dans la joie que dans le drame, les sentiments"
fylyp
  • Custom Cool utilisateur
EdgeeeExplorer a écrit :
Bonjour à tous...

A peu près 6 ans que je suis pas revenu ici, ça fait bizarre de revoir les mêmes (Harlock, avec qui j'ai passé des soirées sur MSN pour qu'il m'apprenne les réglages, comment brancher les pédales dans le bon ordre etc...).
J'avais 15 ans à l'époque, j'ai relu tous les messages et mon dieu.. quel gamin !
Je reviens ici parce que finalement quand on aime U2 et The Edge on ne peut se lasser pour toute une vie.. Et c'est le DVD du live à Paris qui m'a redonné cette passion, or j'ai vendu mon AC4, mon m13, mon DD20.. tout ça pour avoir des thunes il y a 4 ans.. Quelqu'un qui vend le matériel de base que tout bon passionné du son de notre cher Edge connait et a déjà possédé ?

Merci à tous, au plaisir de vous reparler !


Hello

Bah ca depend de ce que tu appelles materiel de base...et de ton budget...

Si t'as un peu de tunes tu peux prendre un Vox (meme AC15, ca irait je pense...ou un truc genre POD ou simulation ou autre...) et le Korg SDD 3000, version pedale, ca sera deja pas mal...par ex....



T'as tout un tas d'options qui s offrent a toi
Et meme le M13, t'auras vite fait d'en trouver un en occas

Voir si tu veux plutot partir sur un pedalboard avec "vraies" pedals analogiques ou autre chose type simulation....



A toi de voir
Mon groupe
https://www.bandmix.fr/soundshaker/

Démos diverses :
https://soundcloud.com/fyl_music

Cover Rival Sons, U2, Pearl Jam etc....
https://www.youtube.com/user/fylyp

"Le snobisme c'est une bulle de Champagne qui hésite entre le rot et le pet"
harlock73
Hello , ca fait plaisir
Effectivement on y revient toujours

Pour le matos moi je suis passer sur un pod hd pro piloté par fbv mk 2 et un sdd 3000 pedale dans sa boucle et c'est super , je me tâte pour un axefx ultra mais je suis pas pressé.
L'idéal c'est ce sdd format pédale, elle est franchement génial et direct dans le vox c'est déjà super.

En ce moment sur effet guitare...