4 produits référencés sur ce sujet

Two Notes Preamplifiers series- sujet unique

Forum Two Notes
Forums
Rappel du dernier message de la page précédente :
pyba
  • pyba
  • Custom Cool utilisateur
  • #1470
  • Publié par
    pyba
    le 27 Août 2018, 20:55
MetallicRiffer a écrit :
ihshan a écrit :
Pour utiliser le wos, installe Reaper. C est un super séquenceur gratuit


Non c'est 60$ la licence (ce qui n'est pas cher vu l'excellence de ce DAW)
En revanche il n'y a pas de limitation à la période d'essai

Dans les DAW gratuit y’a Tracktion 6
gatmanu
  • Special Total utilisateur
J'ai un soucis de volume avec le lead...j'ai contacté les braves gars de Two notes et hop problème résolu fissa

moralité : le SAV en france ca a du bon.
TORPEDO CAB RULES !
violet-burning
bonjour,
j'ai dans l'optique de me prendre la le lead et j'aurais une question sur la boucle d'effet
ma question est de savoir si la boucle est en série ou en parallèle
merci d'avance
slowhand73
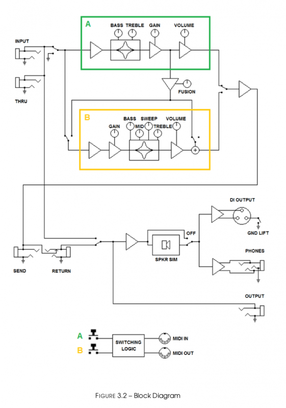
Dans le mode d'emploi PDF téléchargeable sur le site Two-Notes :

Routing LePreamp
violet-burning
slowhand73 a écrit :
Dans le mode d'emploi PDF téléchargeable sur le site Two-Notes :

Routing LePreamp

Merci, je n'avais pas pensé a regarder plus loin sur le site, donc en serie si mon cerveau vieillissant a bien compris ?
Invité
Salut,

Pour ceux que ça intéresse, voici une interview de Guillaume par le très pertinent et très intéressant Max de la chaîne Max Solo Music sur YT.




Et pour ceux que ça intéresse davantage, un stream d'environ 4 heures sur le Lead Preamp. Cette vidéo pourra certainement répondre à beaucoup de questions avec un long descriptif technique, une dissection de l'appareil, des mesures (ohmetre, noisemeter..), différents tests, différentes guitares, avec pédales, en tant que preamp mais en tant que pédale disto également, tout sur la partie midi avec un tuto sur la programmation, le logiciel vendu avec..etc, etc.

C'est très complet et la personne qui propose ce travail mérite beaucoup de notre attention.

Sensuki
Salut les gars, voyez-vous des différences entre le canal OD2 du Marshall JMP-1 et Le lead ?

Merci d'avance pour vos réponses
Invité
Une utilisation quelque peu originale du Lead.


guillaume_pille
Citation:
Salut les gars, voyez-vous des différences entre le canal OD2 du Marshall JMP-1 et Le lead ?


Voila une question originale. J'ai travaillé sur le voicing du Lead, dont l'inspiration vient du canal 3 de la tête Mesa Roadking, mais je n'ai jamais joué un JMP1 donc aucune idée.
Affiliation : Président @ Two Notes Audio Engineering

Help Desk Two notes : https://support.two-notes.com/
Sensuki
guillaume_pille a écrit :
Citation:
Salut les gars, voyez-vous des différences entre le canal OD2 du Marshall JMP-1 et Le lead ?


Voila une question originale. J'ai travaillé sur le voicing du Lead, dont l'inspiration vient du canal 3 de la tête Mesa Roadking, mais je n'ai jamais joué un JMP1 donc aucune idée.


Merci pour la réponse
Wilderwein
Salut,

J'ai un Le Lead depuis un an et demi et j'en était super content mais je n'ai plus le meme son qu'avant. Je manque cruellement de gain sur le canal B et le A est tout maigre et sans saveur. J'ai changé la lampe mais ça n'a rien fait. Dans mes souvenirs (pas vraiment fiables), c'est intervenu après une coupure de courant avec la pédale en marche (mais vraiment pas sur, j'ai fait une assez longue pause entre temps).

Je devrais essayer une autre lampe au cas où la neuve était naze? Ou je contacte le support TN directement?
Je précise aussi que je le banche directement dans la boucle de ma tête, sans aucune autre pédale.

Autrement c'est vraiment une pédale géniale, et si (on sait jamais) il vous prenait l'idée un jour d'en sortir une avec une inspiration 5150, j'en prendrais une direct !
guillaume_pille
Envoies un message sur le support avec la facture d'achat et on s'occupera de toi, il a dû prendre une chataigne, va certainement falloir ouvrir et réparer.
Affiliation : Président @ Two Notes Audio Engineering

Help Desk Two notes : https://support.two-notes.com/
Hello à tous

Je suis, non en fait j'étais, l'heureux possesseur d'un Le Lead que j'ai acheté d'occasion il y a quelques semaines.
Mais tout à l'heure en répet j'ai branché le préamp dans la sortie 12V AC et non la 12V DC de mon alim (elles sont côte à côte....)... où l'inverse... en tout cas pas dans la bonne sortie car il y a eu un gros beuz bien strident et... plus rien...
Depuis j'ai le son brut de la gratte mais les canaux sont inactifs (bien que tous les "éclairages" de la pédales fonctionnent).
J'ai testé au casque, avec un simu de hp, dans la console... rien de rien....

Je ne sais pas trop où l'amener à réparer ... si c'est réparable... et surtout si ça vaut le coup de le faire faire...

Le support Two Notes pourrait il éventuellement m'aiguiller ?

Par avance merci beaucoup
- There's 106 miles to Chicago, we've got a full tank of gas, half a pack of cigarettes, it's dark out, and we're wearing sunglasses.
- Hit it!
slowhand73
Je pense que le mieux serait de les contacter directement via leur site web...

En ce moment sur effet guitare et Two Notes...