Le topic Dumble-like

Rappel du dernier message de la page précédente :
j0k3335
Doug_Watson a écrit :
Je viens de penser que je peux maqueter un circuit Dumbleator + reverb séparément et le tester dans la boucle du VHT ! J'en suis à 11 triodes sur mon synoptique, soit 6 x 12A-7...


ah, c'est une bonne idée ton maquettage !

tiens par contre, une photo du #102 à une certaine époque de son existence ... j'espère que tu nous ne mettras pas de Goop !!!
( tiens, tu as vu : il y a du formica ... )

102 Gooped
Musician: Someone who puts $50,000 worth of gear into a $5,000 car to drive 100 miles to a $50 gig.
L'intelligence artificielle ne fait pas le poids face à la stupidité naturelle !
Nous sommes composés de 65% d'eau et de ... 35% de questions ...
... le moment est venu, quand l'heure est arrivée ...
Doug_Watson
Je ne mettrai pas beaucoup de gloop

gloop
«Je ne suis pas sûr qu'on défende une civilisation en semant soi-même la barbarie.» E. Macron
Non, je n'ai pas rencontré Frankenstein et Epstein au Lichtenstein !
Olric
  • Vintage Total utilisateur
Et pourtant, le goop c’est la vie !
Me tirez pas dessus, j'ai pas de PEA !
j0k3335
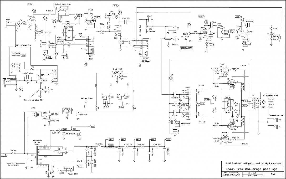
est-ce à partir de ce schéma là dont tu vas partir ? ( hormis la suppression du FET et l'ajout de la reverb et de la boucle active ) ?
je le laisse volontairement dans ce très grand format pour pouvoir bien lire les détails ( exemple, tensions, ...) .

( bon, en prévisualisation, j'ai l'impression que le site me limite en taille ... ... )

schema
Musician: Someone who puts $50,000 worth of gear into a $5,000 car to drive 100 miles to a $50 gig.
L'intelligence artificielle ne fait pas le poids face à la stupidité naturelle !
Nous sommes composés de 65% d'eau et de ... 35% de questions ...
... le moment est venu, quand l'heure est arrivée ...
j0k3335
... je confirme : je suis limité en taille ... et par endroit c'est illisible

Sinon, il y a quelques détails intéressants dans cette vidéo ( mais probable que toi, tu n'en auras pas besoin ) :

Musician: Someone who puts $50,000 worth of gear into a $5,000 car to drive 100 miles to a $50 gig.
L'intelligence artificielle ne fait pas le poids face à la stupidité naturelle !
Nous sommes composés de 65% d'eau et de ... 35% de questions ...
... le moment est venu, quand l'heure est arrivée ...
Doug_Watson
je l'ai.....
«Je ne suis pas sûr qu'on défende une civilisation en semant soi-même la barbarie.» E. Macron
Non, je n'ai pas rencontré Frankenstein et Epstein au Lichtenstein !
j0k3335
Doug_Watson a écrit :
je l'ai.....

OK
Musician: Someone who puts $50,000 worth of gear into a $5,000 car to drive 100 miles to a $50 gig.
L'intelligence artificielle ne fait pas le poids face à la stupidité naturelle !
Nous sommes composés de 65% d'eau et de ... 35% de questions ...
... le moment est venu, quand l'heure est arrivée ...
j0k3335
tiens un petit schéma ( supposé de #102 venant de TAG) qui répondrait à deux de tes questionnements :

1°) une reverb plus "standart" et plus simple,
2°) son positionnement ... juste avant le PI et APRES la boucle ! :

https://ampgarage.com/forum/do(...)79257
Musician: Someone who puts $50,000 worth of gear into a $5,000 car to drive 100 miles to a $50 gig.
L'intelligence artificielle ne fait pas le poids face à la stupidité naturelle !
Nous sommes composés de 65% d'eau et de ... 35% de questions ...
... le moment est venu, quand l'heure est arrivée ...
Doug_Watson
En fait (je suis en train de maquetter) je pense prendre le signal dry au niveau du send =avant= le dumbleator et mixer le wet avec le return avant le PI. Le dumbleator fonctionne. J'ai simplifier un peu car HAD semblait avoir ajouté/choisi des valeurs pas courantes et avec des valeurs classique, et une seule HT, ça marche très bien !
Un autre point que je voudrais simplifier, c'est la chaine des quatre potars :
- sortie clean/OD sur le "Master".
- send du Dumbleator avec "Drive" (qui pour moi pourrait fonctionner comme un 2eme master...).
- return du Dumbleaator avec "Return level" avant la triode et "Output recover" après la triode.

Pour moi le Master est mal placé, il devrait se trouver juste devant le PI et non devant la boucle pour assurer un niveau d'envoi relativement moyen dans les effets et pouvoir gérer le volume sonore indépendamment.

Pourquoi deux potars différent dans le "Return", sachant qu'en plus la plupart des effets ont déjà un potar de niveau en sortie ! Donc suppression du "Return level" en gardant juste le "Output recover"...

parce qu'avec tous ces potars plus les trims c'est un peu le bordel à calibrer le son ! Après, fallait bien justifier les tarifs et la hype

Ah mais j'ai quand même fait mon HAD de province ! Je vais ajouter un FET en cathode follower derrière la première triode pour attaquer le TS en basse impédance !

dumbleator 1


synoptique


dumbleator 2
«Je ne suis pas sûr qu'on défende une civilisation en semant soi-même la barbarie.» E. Macron
Non, je n'ai pas rencontré Frankenstein et Epstein au Lichtenstein !
j0k3335
Doug_Watson a écrit :


parce qu'avec tous ces potars plus les trims c'est un peu le bordel à calibrer le son ! Après, fallait bien justifier les tarifs et la hype

Ah mais j'ai quand même fait mon HAD de province ! Je vais ajouter un FET en cathode follower derrière la première triode pour attaquer le TS en basse impédance !


concernant les potards et trimmers : est-ce que cela n'a pas entrainé JUSTEMENT une grande flexibilité de réglages ?

et concernant le Fet en cathode follower ... je ne maitrise pas trop, mais n'as tu pas peur de t'éloigner un peu de la conception style HAD et donc par suite du son Dumble ?
Musician: Someone who puts $50,000 worth of gear into a $5,000 car to drive 100 miles to a $50 gig.
L'intelligence artificielle ne fait pas le poids face à la stupidité naturelle !
Nous sommes composés de 65% d'eau et de ... 35% de questions ...
... le moment est venu, quand l'heure est arrivée ...
j0k3335
je viens de poster ça sur le topic ES335, mais comme il y a une belle petite bête derrière, je me suis dit ... :

https://www.instagram.com/p/DO(...)dex=1
Musician: Someone who puts $50,000 worth of gear into a $5,000 car to drive 100 miles to a $50 gig.
L'intelligence artificielle ne fait pas le poids face à la stupidité naturelle !
Nous sommes composés de 65% d'eau et de ... 35% de questions ...
... le moment est venu, quand l'heure est arrivée ...
Doug_Watson
Retour sur mon Dumbleatortue ! Comme son rôle est de permettre d'insérer des effets dans la boucle dans de meilleures condition qu'avec le simple "send-return", je me suis dit qu'il n'y avait pas besoin de tout le gain d'une 12AX7 dans le return. J'ai donc mis une 12AU7, meilleure en cathode follower pour le send qu'une 12AX7 et j'ai un gain de 10 dans le return, ce qui est très largement suffisant. En effet sur mon VHT, avec 7Vcàc en sortie du return, donc en sortie de master, on sature déjà l'ampli de puissance. Avec ma 12AU7 je peux sortir plus de 10V... Et elle me semble un poil meilleure dans les basses... Bien sûr j'ai adapté quelques valeurs de résistances pour un fonctionnement optimal de la 12AU7. Seul bémol, j'ai une consommation plus importante sur la HT, 4 mA au lieu de 1.8 mA, pas grave, c'est marginal par rapport à la conso total d'un ampli 50W !

Cet aprem, j'attaque le circuit de réverb ! J'ai opté pour un schéma sans transfo et donc un tank à haute impédance d'entrée, série 4C ou 4E... Restera à étudier le mélange dry-reverb...
«Je ne suis pas sûr qu'on défende une civilisation en semant soi-même la barbarie.» E. Macron
Non, je n'ai pas rencontré Frankenstein et Epstein au Lichtenstein !
j0k3335
Doug_Watson a écrit :
Retour sur mon Dumbleatortue !

Dumbleatortue ... ça n'a aucune importance : prends ton temps et, justement, étudies tout ce qui peut être plus judicieux !
... en plus c'est passionnant pour les blaireaux comme moi

C'est probablement juste sur les parties tone stack et OD qu'il ne faudra pas que tu t'écartes trop de l'original ... sinon tu aurais (?) le risque de t'écarter du son Dumble !?
Musician: Someone who puts $50,000 worth of gear into a $5,000 car to drive 100 miles to a $50 gig.
L'intelligence artificielle ne fait pas le poids face à la stupidité naturelle !
Nous sommes composés de 65% d'eau et de ... 35% de questions ...
... le moment est venu, quand l'heure est arrivée ...
Doug_Watson
j0k3335 a écrit :
il ne faudra pas que tu t'écartes trop de l'original ...


Bah, des "originaux", il y en a un paquet et tous différents ! Je serai proche du 102-183...
«Je ne suis pas sûr qu'on défende une civilisation en semant soi-même la barbarie.» E. Macron
Non, je n'ai pas rencontré Frankenstein et Epstein au Lichtenstein !
j0k3335
Doug_Watson a écrit :
j0k3335 a écrit :
il ne faudra pas que tu t'écartes trop de l'original ...


Bah, des "originaux", il y en a un paquet et tous différents ! Je serai proche du 102-183...


oui, c'est ce que je voulais dire : puisqu'au départ tu partais plutôt sur le #102, je voulais donc dire , ne pas trop t'écarter de son "profil"
Musician: Someone who puts $50,000 worth of gear into a $5,000 car to drive 100 miles to a $50 gig.
L'intelligence artificielle ne fait pas le poids face à la stupidité naturelle !
Nous sommes composés de 65% d'eau et de ... 35% de questions ...
... le moment est venu, quand l'heure est arrivée ...
PiPiRoSe
Si je comprends le truc tu pars sur un préampli de 183 avec la puissance du 102 en "50w" avec l ajout Dumbleator et reverb a la sauce doug ?
« Si tu prends 500 € à un travailleur pour donner 100 € à 5 paresseux, tu perds un vote mais tu en gagnes 5. Ça s'appelle le socialisme. » Elon Musk

mon meilleur montage grâce au pcb d un ami :
https://www.casimages.com/u/pi(...)2817/

En ce moment sur ampli et préampli guitare...