Pannes usuelles et remèdes (amplis à lampes, liste page 1)

Rappel du dernier message de la page précédente :
themidnighter
Shaggy_2_dope a écrit :
La 6L6 est installée dans le socket sur la photo ?


Non, mais ca n'est pas ca le problème.
shaggy
  • Vintage Total utilisateur
    Cet utilisateur est un technicien réparateur d'instruments et matériel audio
themidnighter a écrit :
Shaggy_2_dope a écrit :
La 6L6 est installée dans le socket sur la photo ?


Non, mais ca n'est pas ca le problème.


je ne vois pas... enfin je ne vois rien sur la photo
L'anode n'est pas alimentée ?
Entretien et réparation d'amplis sur Bruxelles : https://www.facebook.com/KustOhmWorkshop
themidnighter
Shaggy_2_dope a écrit :
je ne vois pas... enfin je ne vois rien sur la photo
L'anode n'est pas alimentée ?


Si, j'ai 530v sur la pin3 de v4 comme sur toutes les autres pin3.

J'aimerai bien voir Oldamp passer ici, je pense qu'il pourrait trouver.
shaggy
  • Vintage Total utilisateur
    Cet utilisateur est un technicien réparateur d'instruments et matériel audio
bill bokey a écrit :
La résistance de 1 ohm entre la cathode et la masse, celle qui sert à mesurer le courant de cathode (et remplace donc le bias probe) est grillée. C'est un grand classique ! (malheureusement)


oui mais alors comment se fait-il qu'avec un bias probe (1ère photo) themidnighter trouve un bias nul ?
Entretien et réparation d'amplis sur Bruxelles : https://www.facebook.com/KustOhmWorkshop
shaggy
  • Vintage Total utilisateur
    Cet utilisateur est un technicien réparateur d'instruments et matériel audio
bill bokey a écrit :
La cathode n'est pas reliée à la masse, si la résistance est HS Donc dans le bias probe, la résistance est entre la cathode et une résistance grillée !


mais c'est bien sur !
Entretien et réparation d'amplis sur Bruxelles : https://www.facebook.com/KustOhmWorkshop
themidnighter
bill bokey a écrit :
La résistance de 1 ohm entre la cathode et la masse, celle qui sert à mesurer le courant de cathode (et remplace donc le bias probe) est grillée. C'est un grand classique ! (malheureusement)


Je ne pensais pas te voir ici, mais c'est exactement ca. Bravo Bill.

Je vais virer ces résistances, remplacer les 4 R470 de grille qui ont pris cher par des 5W (même si elles lisent toujours R470 au multi, par sécurité je préfère les remplacer à neuf et mettre les composants Russe de côté).

Comme je disais, les composants Russe c'est du bon, ils ont bien tenu le choc. Les résistances de 1 ohm par contre, c'est pas la même limonade.

L'ancien proprio devait pas être très malin quand même, entre ca et remplacer les condos par du IC (qui devaient surement être en pleine forme d'ailleurs ces condos... )

Bill petite question, j'ai 2 portes fusibles un de 4A pour le main et un de 2A pour la HT. Je voudrais remplacer celui du main qui a l'air vraiment pas en bon état. J'ai du 4A mais c'est du temporisé. En général je ne vois quasiment que du temporisé dans les amplis à lampe, ca pourrait le faire dans le MIG ? J'ai aucune indication sur le fusible existant. En général sur la HT pas trop de doute c'est presque systématiquement du T, mais sur le main, je ne saurais dire.

Shaggy_2_dope a écrit :
bill bokey a écrit :
La cathode n'est pas reliée à la masse, si la résistance est HS Donc dans le bias probe, la résistance est entre la cathode et une résistance grillée !


mais c'est bien sur !


Tu comprends mieux maintenant ? C'est tellement évident que tu viendrais pas à chercher à vérifier que la cathode d'un fixed bias est à la masse, puisque c'est l'évidence même. Et pourtant, en faisant un test de continuité, j'ai buggé. Forcément tu pars de l'anode puis tu cherches la panne sur toute les grilles avant de comprendre que c'est la cathode à cause de résistances de merde, que toi même tu n'aurais jamais mis (j'utilise toujours des bias probes). En gros la faute vient du mec qui a modifié l'ampli, pas du design de l'ampli ou de ses composants, c'est ca le plus comique.

On voit bien sur la photo que la résistance a un gros trou dedans, y'a plus rien qui passe...
themidnighter
Bon maintenant dans le préamp c'est vraiment bizarre, l'entrée hi déconne, j'ai pas de gain alors que pourtant ca devrait cruncher quand même. Relou cet ampli...
themidnighter
bill bokey a écrit :
4A et 2A c'est très inhabituel mais je ne connais pas cet ampli. En général c'est plutôt 2A et 1A pour les 230V (et 4A / 1A pour les US)
Bref, je ne mets que des temporisés de toute façon, ça ne posera aucun problème.


Merci.

C'est un ampli déstiné au marché US à la base je pense. Tu as un switch 120/230v. C'est marqué" en gros sur la faceplate 4A et 2A, mais je pense qu'ils ont prévu ces valeurs pour une utilisation en 120v et pas du 230v.

Moi aussi je n'utilise généralement que du temporisé, mais sur mon Bad Cat Black CAt 30R le main est un Fast et pas un slow. C'est étonnant, mais pareil, c'est marqué en gros dessus.

Sinon en gros l'ampli c'est un genre de bassman tweed revisité "high powered". Du coup tu as un préamp plutôt British façon Marshall, avec un étage de puissance en 6L6 façon Fender. C'est très bizarre. Il sonne très sombre cet ampli.
oldamp
  • Vintage Méga utilisateur
2A sur la HT c'est fort... ça indiquerait que le 1er condo est après le standby et donc que le fusible doit absorber la (sur)charge de ce condo ! Vaudrait mieux mettre le standby après le 1er condo et mettre un fusible plus faible qui servirait en cas de tube de puissance foireux !
themidnighter
oldamp a écrit :
2A sur la HT c'est fort... ça indiquerait que le 1er condo est après le standby et donc que le fusible doit absorber la (sur)charge de ce condo ! Vaudrait mieux mettre le standby après le 1er condo et mettre un fusible plus faible qui servirait en cas de tube de puissance foireux !




https://elektrotanya.com/PREVI(...)1.png

Je vais vérifier ce soir, mais pour moi c'est comme sur le schéma, entre le point de diode et le stand-by.

Par contre très honnêtement je dépanne l'ampli pour un ami qui a pas de fric, donc je vais pas lui refaire tout l’intérieur de la boutique non plus. Ca devait simplement être un retubage avec réglage de bias, et je me vois à reprendre l'étage de puissance et le préamp
oldamp
  • Vintage Méga utilisateur
non, c'est bon, le stby est après le 1er condo, mais ce sont de gros condos donc oui, gros appel de courant et gros fusible !
themidnighter
Bon l'ancien proprio a fait 3 modifs sur ce mig, et c'est 3 pannes. Dans le 1000.
Ajout des 1R sur les cathodes, 1 de grillée et tout l'étage de puissance cramé. Mise en place d'une boucle d'effet, soudure seches, cablage nul, le master volume qui débraye tout seul, et maintenant le problème d'input... PFFFF...

Je n'arrive pas réparer le problème sur l'input. Il a changé le jack femelle de l'input hi gain et je n'ai aucun gain en l'état si je branche complètement le jack. Par contre si je branche à moitié le jack (cad : le tip du jack male est branché sur le sleeve du jack femelle), j'ai un vrai gain façon jcm800.






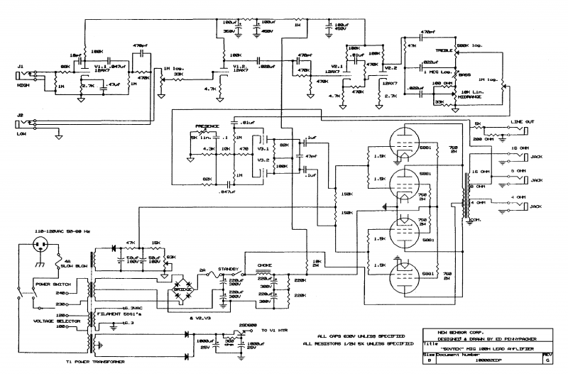
Le schéma le plus proche c'est celui-ci : http://music-electronics-forum(...)2.jpg

Je ne maitrise pas ces jack femelle à 6 pins, donc je ne sais pas comment les câbler ?

Je ne comprends pas pourquoi la pin2 de la V1 est connecté au ring et non pas au tip sur l'entrée hi ?

Je ne comprends pas pourquoi la 68K est reliée sur le ring vers le sleeve alors que sur le schéma elle est entre le tip et la grille (pin2) ?

Je ne comprends pas à quoi sert le cable rouge qui relie le sleeve de droite vers le tip de gauche sur l'entrée hi ?

La 1M a l'air bien placée entre le tip et le sleeve, mais quand je la mesure elle ne fait absolument pas 1M mais 320K alors que c'est marqué dessus 1M ?

Et pourquoi le tip de droite sur l'entrée hi est relié au tip de l'entrée gauche du low ?

HELP !!!

En ce moment sur ampli et préampli guitare...