Plus de son Ampeg V-4B

Forum Ampeg
Forum
Rappel du dernier message de la page précédente :
jeff10
  • Vintage Top utilisateur
  • #16
  • Publié par
    jeff10
    le
Tu sais ,ce n'ais pas forcement des tubes de bonne solidité donc ,,je maintiens cette hypothèse,remplace tes fuses ,débroche les pentodes ,laisse ton ampli en st by remet les un par un, ampli ( en rte en st by)
Invité
Bizarre , je ne trouve aucun schématique de V4B ayant des fusible internes.

Jeff10 a raison

Un tube de puissance est défectueux ou deux
1-Met les fusible neuf.
2 Démarre l'ampli comme si tu voulais jouer Power ON Standby à Play
3- les fusibles ne doivent pas sauter, confirme pas lecture
a- Si un fusible a sauté le problème viendrait ailleurs que des tubes de puissance

b- Fusibles bons
5- met un seul tube de puissance
6- voir 2
7- si le fusible a sauté, ce tube est défectueux
a- Si le fusible n'a pas sauté ce tube est bon
8- Enlève ce tube et refait ce test avec les autres un seul à la fois
jeff10
  • Vintage Top utilisateur
  • #18
  • Publié par
    jeff10
    le
Remplace tes fusibles défais tes préamps, met ton tube pentode ,amps en St By ,tu met un par un sur le même socket = culot = rien ne ce passe,tu continu,en les mettant chaque à leur place
scientifique thermique =la plaque ,la grille 1 ,la grille 2 ,ne chauffe pas ,seule la grille filament chauffe et produit des électrons ,le problème ,si elle ce rompre ou ce déforme ,produit un court circuit interne dans le tube = banal classique ,du au secousse ou surtout !!! vibrations
oldamp
  • Vintage Méga utilisateur
  • #19
  • Publié par
    oldamp
    le
Pfuiiiit ! Jeff, essaie de te relire avant d'envoyer, on ne comprend rien à ce que tu veux dire...

Citation:
seule la grille filament chauffe et produit des électrons
??? le filament n'est pas une grille... Et ce n'est pas lui qui produit des électrons mais la cathode ! Par contre, oui, il chauffe ! Mais la plaque aussi et elle peut même rougir ! Tu parles à un gars qui n'est pas technicien, faut être plus clair pour lui !
Invité
oldamp a écrit :
! Tu parles à un gars qui n'est pas technicien, faut être plus clair pour lui !


Et éviter les détails inutiles
Oui , le mieux ,il sais le faire,il met du gaz oil et choisis de venir nous voir
Lifeshit
Certes j'ai pas (encore) tout compris. En tout cas merci d'avance.

J'attends de recevoir mes fusibles... et je verrai comment procéder. Ca se trouve c'est une lampe qui est finie ?
Invité
Enlève les lampes de puissance et démarre l'ampli avec des fusible bons
Si les fusible ne sautent pas, il possible qu'une lampe de puissance soit défectueuse.

Remet les lampes de puissance une a la fois ,si la / les fusible sautent, cette lampe serait probablement défecteueuse.
Fait pareil avec l'autre.

Si tu dois remplacer une lampe remplace les deux pas seulement une

Remets des identiques autrement il faudra refaire le bias par n tech
Invité
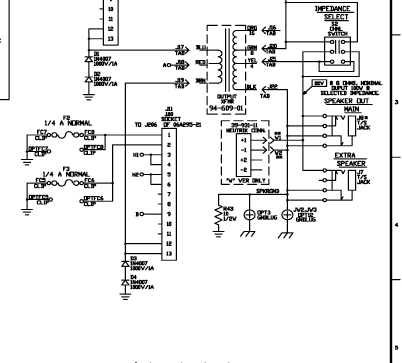
Ai trouvé le schematic; 8 ième réponses dans le lien en bas .
Ces fusibles protèges l'ampli en cas de problème avec les lampes de puissance.

Donc oui il y une ou des lampes défectueuse; tu as 4 lampes de puissance, des 6L6


https://music-electronics-foru(...)31970
hex69
  • Special Top utilisateur
  • #25
  • Publié par
    hex69
    le
Je regarde le schema posté, avant de changer les tubes, ne serait-il pas plus sage de vérifier les diodes flyback, c'est un problème fréquent sur ce type de circuit.

Lorsqu'une d'elle crâme, ça peut arriver tout bêtement comme ça et celà n'indique pas nécessairement un problème ailleurs, il se passe exactement ce dont tu parles, ça fait 'automatiquement' sauter le fusible interne. Elles sont une 'sur-protection' et donc pas indispensable, au final c'est la protection qui fait sauter le fusible, le monde à l'envers

Les diodes flyback sur ton schema sont celles connectées par paires (en série) sur chaque coté du transformateur de sortie au primaire, et leurs rôles est de protéger ce dernier, si tout baigne et fonctionne correctement, elles ne font rien, mais disons qu'il y a une surtension dans la mauvaise direction dû à un mismatch d'impédence, leur rôle est de protéger l'OT, donc il serait bon de vérifier que tout est OK au niveau du ou des HP.

Une suggestion serait de déconnecter les diodes flyback du circuit (désouder un coté) et voir si l'ampli fonctionne sans, si oui ça indique qu'une ou plusieurs diodes sont coupables, on doit les remplacer par d'autres. Dans l'impossibilité de trouver le modèle original, tu peux utiliser 3 1N4007 en série au lieu des 2 originales. Le fusible interne est soudé je crois, qui peut poser problème en situation de gig, ça serait probablement une bonne chose de remplacer par un socle et ainsi pouvoir changer ce fusible interne directement sans soudure.

Aussi, assure toi de bien connaitre la procédure pour décharger les condensateurs avant de manipuler le circuit.
Pour que ça soit fait correctement, fait le toi même!
Invité
Tu en demandes trop a un non électronicien.

Dans ce cas, montrer une photo c'est plus facile et ça peut aider




diodes de protections
hex69
  • Special Top utilisateur
  • #27
  • Publié par
    hex69
    le
Si on y réfléchi bien, un jour l'ampli va bien, et puis rien.. Un tube de puissance donne habituellement des signes avant de lâcher.

latole a écrit :
Tu en demandes trop a un non électronicien.


Ouais j'sais.. bah si l'auteur en est incapable, il peut toujours prendre des notes, comme ça il aura des arguments pour guider le tech, si ça peut lui éviter une dépense inutile sur des lampes, ça sera déjà ça.
Pour que ça soit fait correctement, fait le toi même!
Invité
Tu es sérieux ?

S'il faut guider un technicien pour un problème si simple, vaut mieux fuir ce faux technicien.
Un vrai technicien sait très bien quoi vérifier.
hex69
  • Special Top utilisateur
  • #29
  • Publié par
    hex69
    le
Tu as compris le sens de 'guider' de travers latole..

Par contre si je comprends bien ta logique tu dis que l'auteur ne possède pas les compétences requises pour faire la réparation mais paradoxalement, avec comme seule info "on m'a dit de changer les lampes", qu'il sera en mesure de différencier le vrai tech du faux, bin coudon.. Oui y'en a des bon techs honnêtes mais pour la pluparts, s'ils s'apperçoivent que le client devant lui n'y connait que dalle la facture gonfle vite en général. Je crois que l'auteur sera beaucoup plus en mesure de déterminer tout ça, encore plus s'il est bien informé.
Pour que ça soit fait correctement, fait le toi même!
Invité
Comment déterminer qu'on a affaire a un technicien compétent quand on n'y connais rien sois -même ?

À part d'avoir des références sérieuses, je ne vois pas.

En ce moment sur ampli et Ampeg...