Probleme Engl e650 (buzz puis fusible claque)

Forum Engl
Forum
Rappel du dernier message de la page précédente :
Des nouvelles du front....
La remise en route s'est bien passé.

Par contre le problème est toujours là

A noté que sur le canal A le buzz est plus aigu.

Et toujours le transfo d'alim qui fait de plus en plus de bruit jusqu'à ce que le fusible finisse par claquer. Et ça qu'il y ai 1,2,3 ou 4 tubes de puissances (sans les tubes de preamp)
OldGun
  • Special Top utilisateur
  • #31
  • Publié par
    OldGun
    le
Hello,

Tu as démonté une des 3 Zener en série? Manulonch avait proposé cette piste un peu plus haut.
Couper une des pattes peut constituer un test rapide (une petite soudure permet le retour en arrière)

Les Jack HP sont OK? Si on peut facilement enlever les fils du transfo de sortie des sorties non utilisées par ton baffle.

Bon courage!
manulonch
Ça devient vachement ésotérique comme problème !

Les Zeners de merde n'ont normalement un effet que sur le préamp.
(vires les quand même)

Vires les deux BY509 sur le primaire de l'OT, on ne sait jamais.
(ils aiment les diodes de merde les casques à pointes)

Je suppose que tu as fais le teste sans la déphaseuse ?
Si oui, tu as totalement isolé l'étage de puissance.
Je suppose que tu n'as pas un autre transfo de sortie sous la main ? ( je n'en ai jamais remplacé dans des ENGL ceci dit)
Je vire les diodes ce soir.

Oui j'ai fais le test sans la dephaseuse.
Sans les 4 12ax7 même.
Pour le transfo de sortie j'en ai que j'ai récupéré dans un peavey valveking 100w
(4x 6L6GC ) a des fins de test ça devrait faire l'affaire même si les caractéristiques sont différentes non ?
J'ai même essayé avec un seul. Et pas tout le temps le même
Pour le transfo de sortie, celui en place a une résistance de 49ohm entre A et C et 48 entre B et C au primaire.
Demain je mesure le secondaire. Et je recommande 4 tube appariés. Juste au cas où. Même si ça déconne avec 12 tubes différents. De toute façon il m'en faudra des neufs un jour ou l'autre.
nasdak
  • Custom Top utilisateur
  • #37
  • Publié par
    nasdak
    le
amandawoodward a écrit :
Des nouvelles du front....
La remise en route s'est bien passé.

Par contre le problème est toujours là

A noté que sur le canal A le buzz est plus aigu.

Et toujours le transfo d'alim qui fait de plus en plus de bruit jusqu'à ce que le fusible finisse par claquer. Et ça qu'il y ai 1,2,3 ou 4 tubes de puissances (sans les tubes de preamp)


tu as un truc qui pompe de plus en plus de courant,
faudrait monitorer le bias sur les tubes de puissance pour voir si ça se passe par la, ou ailleurs ?
Peut etre une fuite sur le transfo de sortie ?
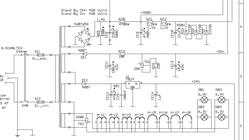
sur le circuit de bias, entre le cul de la diode et la masse j'ai -30V

sur le schema le circuit de bias est donné pour -55V






on est d'accord que c'est pas possible d'avoir -55 en partant de -30

le transfo est donné pour 325V 24V 14V 6.3V au secondaire
Bon.... Me demandez pas pourquoi mais 2 fils sur le secondaire du transfo était inversé.... D'où la tension de bias dans les choux.
Une fois remis en ordre j'ai bien mes -55 V

Cette fois les lampes ne partent plus en redplating et le bias reste bien stable.

Par contre si je monte le volume j'ai un bon vieux humdégueulasse a 50hz, du buzz à 350hz et presque pas de son de guitare.
manulonch
amandawoodward a écrit :
Bon.... Me demandez pas pourquoi mais 2 fils sur le secondaire du transfo était inversé....

C'est balot.

Citation:
Par contre si je monte le volume j'ai un bon vieux humdégueulasse a 50hz, du buzz à 350hz et presque pas de son de guitare.

Ça pue le soucis de masse déconnectée.
ChopSauce
Ca avance ...

Tu es en train de lui faire une belle et bonne révision ...
(mébon c'est bizarre tous ces "bugs" tout de même)
La plupart des bugs étant plutôt lié à mon incompétence

Du coup j'ai plus appris en 15 jours à me prendre la tête comme un con devant le schéma et l'ampli ouvert devant moi.
ChopSauce
Bienvenue au club !

En ce moment sur ampli et Engl...