Kit musikding tube screamer

Rappel du dernier message de la page précédente :
Satare
  • Satare
  • Vintage Top utilisateur
Oula, ne commence pas par le kit tube screamer alors ... tu va t'en mordre les doigts ...
Préfère le kit linear booster : plus simple et déja suffisemment source de problemes si on s'y prend mal
( d'ailleurs, attention, il y a 2 resistances inversées sur le dessin de musikding )
Lissium
J'ai commencé par le kit screamer et je n'ai aucune connaissance en électronique. Juste de vagues souvenirs des cours de techno du collège

Malgré ça je m'en suis sorti sans trop de difficulté, il suffit d'être très consciencieux et de bien faire vérifier plusieurs fois avant de souder.

Au pire tu peux toujours demander de l'aide si tu as un doute
... And justice for all ...
Nico_las
Il faut quand même savoir ce que l'on fait. Etudier le fonctionnement d'un switch, potard, d'un socle alim, d'un jack. Même sans savoir comment fonctionne le circuit, se sera un jeu d'enfant de monter.


A ne pas oublier :
- Monter les composants du plus petit au plus grand
- Tester le circuit avant d'aller plus loin (souder jack et alim directement sans switch ni rien)
- Percer le boitier (attention à la largeur des jack et des socles d'alim par rapport au boitier)
- Monter les jack et les switch en soudant des fils de bonne longueur
- Couper et souder les fils du boitier au circuit.



Comme on tester le circuit, on aura rien à refaire dessus, les seuls problèmes pourront venir du cablage ce qui sera plus facile à réparer.



Il faut bien faire gaf à ce que l'on fait, un montage ça peut prendre 2 heures comme 2 ans !
Satare
  • Vintage Top utilisateur
Personellement, j'ai commandé en meme temps un linear, une disto das plus et la tubescreamer : je la joue dans l'ordre de difficulité, pour me refaire la main
lama00
  • Custom Total utilisateur
Comme je l'avais dit quelques pages plus tôt (si c'est bien sur ce topic ci), j'ai monté ce kit en n'ayant jamais manié un fer à souder. Et j'y suis arrivé sans problèmes.

Les dessins et schémas fournis sont super lisibles et tout va bien.

Et ça sonne vraiment bien en plus, alors pour le prix...
willytarno
J'ai acheté ce kit en decembre, il est toujours dans son enveloppe kraft, faut que j'trouve un moment pour la monter xD

Heu sinon, j'ai une Blues driver 2 de chez boss, et j'me suis fait un petit plaisir tout a l'heure ... j'me suis payé la TS9 Donc une fois soudée, j'éssaierais de faire un comparatif de ces 3 OD
PROSPERO
toute façon il faut bien que je me lance alorsje crois que je tenterai le coup cet été quand j'aurai rien à faire
LIFE IS PAIN
Elrond06
Je viens de finir la mienne, en même temps qu'un kit Dynacomp de chez tonepad. Bon, rien de bien compliqué c'est vrai, c'est trés clair, enfin, je pense qu'il faut un minimum savoir ou on met les doigts, c'est plus simple. Le plus compliqué à mon sens a été de tout placer correctement dans un boititer B (le petit). Ca fait quand même serré. La difficulté de ce kit réside donc selon moi dans l'aspect "mécanique".
Satare
  • Vintage Top utilisateur
Ca, c'est clair ! J'en ai bavé .... et j'ai monté mes potards a l'envers, je dois les remonter ^^
Sinon, c'est vrai que c'est une super affaire et ce kit en particulier est vraiment bien foutu !
Elrond06
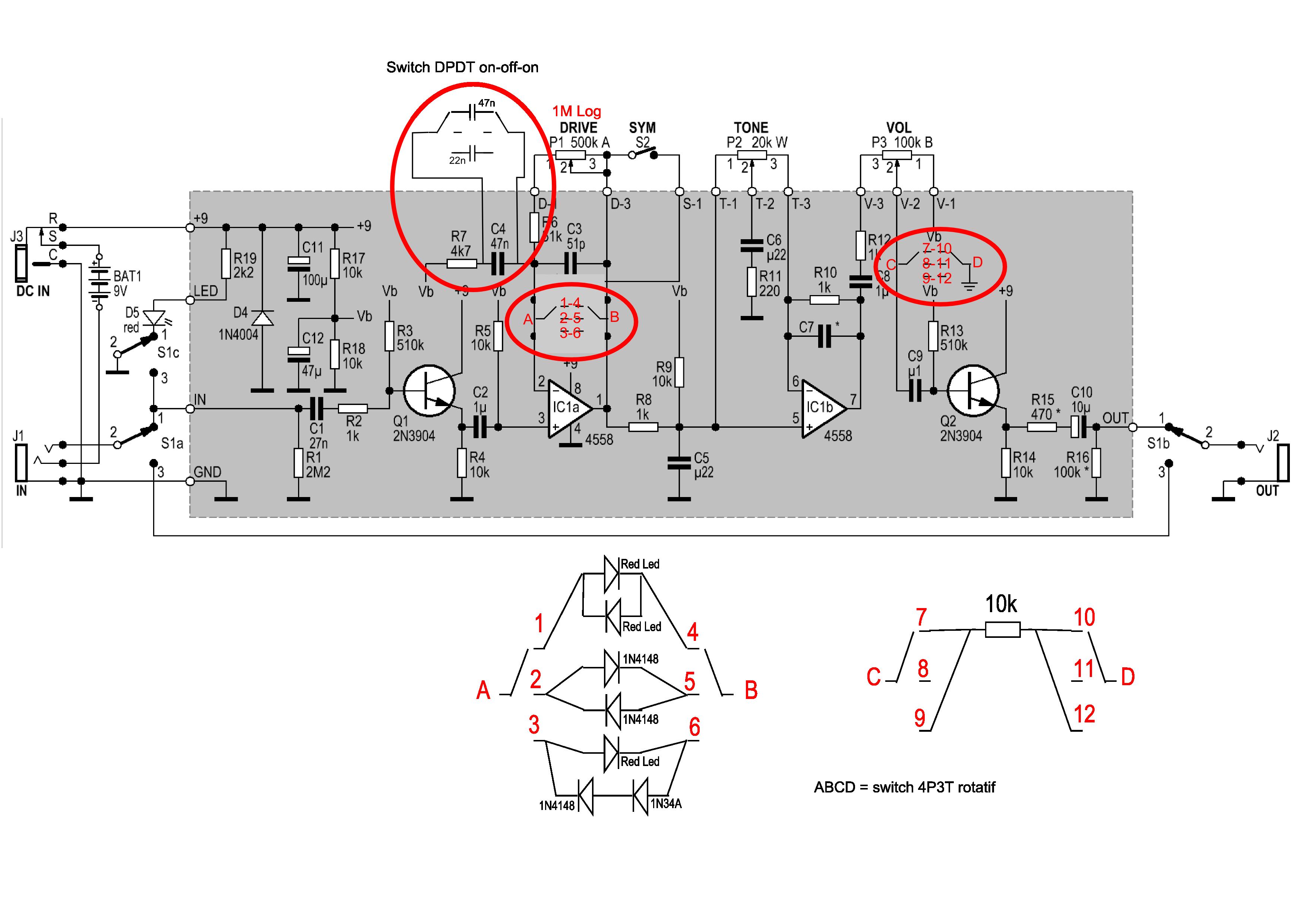
oui, je vais quand même faire un petit upgrade de certains composants je pense lors d'une prochaine commande, changer les condensateurs par exemple pour voir, et je me demande qi le fait de changer les diodes changera quelquechose au son..
Elrond06
Pour les diodes de saturation, le changement est tout simplement radical : avec des leds par exemple on se retrouve avec un son trés typé marshall, mais un volume en sortie augmenté aussi. a essayer. si le volume en sortie est trop important, il suffit de faire une modif sur le potard de volume en le passant en log à la place de lineaire (ajout d'une resistance en parallèle - 10k).
Satare
  • Vintage Top utilisateur
bon a savoir ca ! ;D Merci :p
Elrond06
Voilà ce que çà donne sur le schema d'origine (pour voir en grand, clic droit et "afficher l'image") :



et en photo :



lama00
  • Custom Total utilisateur
Tu as fait ça à partir d'un kit musikding?

Apparement tu as rajouté un pcb non ?

Niveau matos, tu as acheté quoi de plus ?

Ca a l'air sympa comme ça, si tu pouvais faire qq samples...
Satare
  • Vintage Top utilisateur
ah ué quand même !
Y a des artistes faut l'dire ...
Elrond06
Kit musikding pour la screamer, et un pcb tonepad pour le compresseur type MXR dynacomp (j'ai juste mis un potard de 2k à la place du trimpot de 2k prévu à l'origine, mais son action n'est pas des pus efficaces à mon sens de toute façon).

En ce moment sur effet guitare...