!! Le topic des bonnes affaires en rack !!

Rappel du dernier message de la page précédente :
cdmat76
  • cdmat76
  • Vintage Total utilisateur
Je vends 2 rocktron patchmate loop 8 au format rack en excellent état (lien dans ma signature) si quelqu'un est interessé.
chacal
  • Vintage Méga utilisateur
    Cet utilisateur est un technicien réparateur d'instruments et matériel audio
Obelix2 a écrit :
Si!!! L'emmerde c'est qu'on est sur-équipés


ou sous-financés selon
Guitar tech à temps très très partiel
Rédacteur d'articles sur la guitare à l'humour discutable
Guitariste aussi, mais faut pas le dire, j'ai honte.
will911
Citation:
Tu as un topic avec tout ca ?


Non,je tâte un peu si ça part,je revois mon système,sinon ça reste comme ça....
Biloute
  • Vintage Ultra utilisateur
chacal a écrit :
Obelix2 a écrit :
Si!!! L'emmerde c'est qu'on est sur-équipés


ou sous-financés selon

idem... j'ai du revendre tout mon rack pour cause de fric, je suis pas pret d'y retourner
la guitare c'est de la merde !
MarvinS
  • Special Supra utilisateur
s_ghislain a écrit :
J'e, ai essayé pas mal ... oui

Mais j'ai loupé ta dernière vente ... je ne m'en remets pas.

voici la mise à jour de mon frigo



Je sens que je vais recherche un torpedo live


J'adore
Il te reste encore la place pour le Triaxis, ensuite ça serait plein !
s_ghislain
Oh j ai meme encore plus de place. En bas il y a 4 u qui font de la figuration. Enfin surtout les 2 alimentations.

Je ne suis pas arrivé a me separer de mes racks. Certains sont parti, multi, torpedo. Mais les preamp... je ne peux pas. Oui le triaxis..un jour sera mien. Mais faudra degraisser de la gratte

Je vais tenter le topic d entraide
Obelix2
Un Triax c'est rarement très cher sur le marché de l'occase, en général, ça tourne entre 700 et 900.
10:15 a écrit :
idem... j'ai du revendre tout mon rack pour cause de fric, je suis pas pret d'y retourner
Je suis malheureusement bien placé pour le savoir, en ayant repris une partie... Quand de tels cas se présentent, ça me fait toujours mal au coeur: ayant été longtemps dans la dèche, il m'a fallu un sacré moment pour pouvoir me racheter du matos.
On croise les doigts pour que ça aille mieux pour toi
s_ghislain a écrit :
Quel preamp soldano obelix ? Le x88 ??????
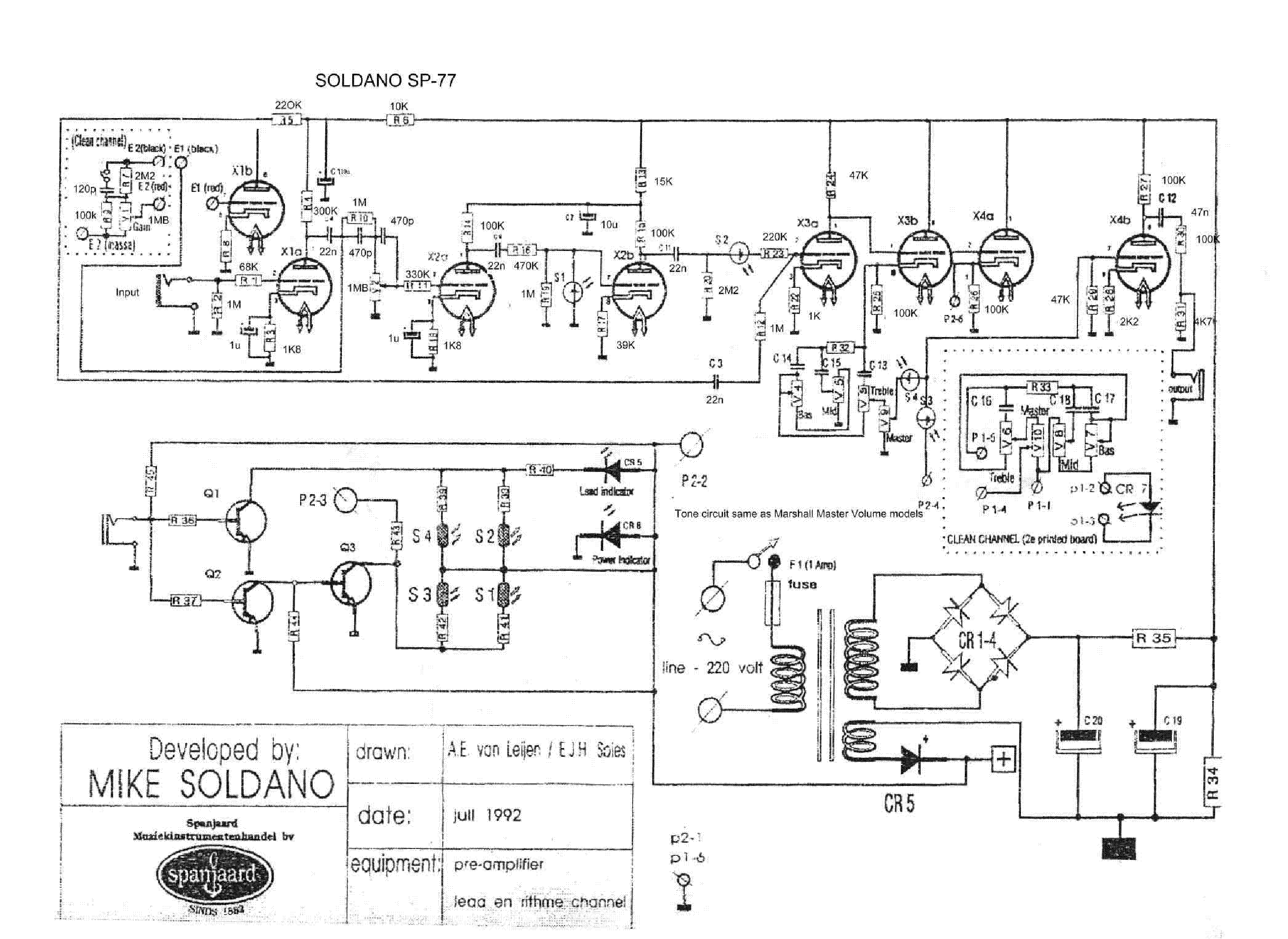
Non, le SP77, l'ex de 10:15
Elric66 a écrit :
Trop rèche pour moi aussi le 530, j'ai pas aimé.
Disons que ça a surtout sa place dans un contexte gros metal.
Tu peux t'attendre à ce côté rêche en disto de la part de tout préamp chargé en condensateurs WIMA (les trucs rouges bien 'carrés') ainsi que du ton clair bien moderne/Mr.Propre aussi. C'est un peu même combat avec un CAE 3+SE "stock" quoi qu'il aie beaucoup + de dynamique... Stock, je n'aime pas trop non plus.

Citation:
voici la mise à jour de mon frigo
Uhuhuh, bijour l'usine à gaz Les préamp Behbeh, on se demande quand même ce qu'il fait là
"Le monde ne sera pas détruit par une bombe atomique, mais englouti par un fleuve de merde."
- Charles Bukowski
"Sauvez les végétaux et les forêts! Mangez du gibier!"-Obé

- Grattes+Basses : Vigier, Leduc, Patrice Blanc, Xavier Petit, J3guitares, Lâg, Roland, Danelectro, Art&Lutherie, PRS, Krappy, Ibanez, Hagström, Ovation, Aria, Eagle, Condé Hermanos
- Amps : Mesa-Boogie, Marshall, Soldano, Ampeg, Carvin, Pignose, Fender, ObLX, Telefunken, Traynor; Cabs : Electrovoice, Audax, JBL, Weber, Beyma
- FX : ObLX, Moog, EHX, Zvex, Eventide, TC, Lexicon, Rocktron, Roland, Yamaha, DLS, Boss, Ibanez, Rockman
- Analog synth : Oberheim, Roland, Cheetah, SIEL
Endorsé : Marc Dorcel, viande-chevaline.fr; distillerie Othon-Schmitt.lu
s_ghislain
Ah le SP77 ... terriblement simple et efficace.

J'aimerais lui coller un switch canal en façade ... mais je ne trouve plus le schéma. Quelqu'un aurait ça ?

Ah le behbeh ... ben figure toi que pour une gratte avec piezo ou un micro à condensateur ... et ben il le fait bien. Bien sûr il y a mieux ..; mais pour ce qu'il vaut, c'est très correct.
Obelix2
Citation:
Ah le SP77 ... terriblement simple et efficace.
Avec tout le barda que j'ai déjà, pas besoin d'une usine à gaz en plus
Citation:
J'aimerais lui coller un switch canal en façade ... mais je ne trouve plus le schéma. Quelqu'un aurait ça ?


Citation:
Ah le behbeh ... ben figure toi que pour une gratte avec piezo ou un micro à condensateur ... et ben il le fait bien. Bien sûr il y a mieux ..; mais pour ce qu'il vaut, c'est très correct.
Je n'aime guère les piézos et n'en ai que sur une gratte (et aussi sur la U-bass, certes, d'ailleurs, là, je mixe les piézos/mag - deux RMC en série pour être équilibrés en niveau de sortie avec le micro magnétique- , tout seul, j'aime pas non plus!). Il y a vraiment une composante sonore qui me déplait, tiens, même l'acoustique de Gilmour sur Pulse me sort par les trous de nez... Me demande si les capteurs Barcus-Berry utilisés dans les 70's existent encore: ça au moins, ça passait bien, cf. dans Shakti...
"Le monde ne sera pas détruit par une bombe atomique, mais englouti par un fleuve de merde."
- Charles Bukowski
"Sauvez les végétaux et les forêts! Mangez du gibier!"-Obé

- Grattes+Basses : Vigier, Leduc, Patrice Blanc, Xavier Petit, J3guitares, Lâg, Roland, Danelectro, Art&Lutherie, PRS, Krappy, Ibanez, Hagström, Ovation, Aria, Eagle, Condé Hermanos
- Amps : Mesa-Boogie, Marshall, Soldano, Ampeg, Carvin, Pignose, Fender, ObLX, Telefunken, Traynor; Cabs : Electrovoice, Audax, JBL, Weber, Beyma
- FX : ObLX, Moog, EHX, Zvex, Eventide, TC, Lexicon, Rocktron, Roland, Yamaha, DLS, Boss, Ibanez, Rockman
- Analog synth : Oberheim, Roland, Cheetah, SIEL
Endorsé : Marc Dorcel, viande-chevaline.fr; distillerie Othon-Schmitt.lu
Obelix2
De nada, enfin, ça t'aurait pris 10 secondes à trouver sur gogol

Yup, avec le micro magnétique mixé, passe encore, quoi que je n'aie pas vraiment de besoins de me la jouer Reeves Gabrels sur 1.Outside... Faudrait que je collabore avec un chanteur sauce Bowie et un gus genre Brian Eno... Idem pour les grattes à manche carbone ou le Ring-Modulator: c'est à la fois fort intéressant mais... difficile à caser, surtout en ce moment, en tous cas ici : c'est vraiment le "Waterloo-morne plaine" de la zik
"Le monde ne sera pas détruit par une bombe atomique, mais englouti par un fleuve de merde."
- Charles Bukowski
"Sauvez les végétaux et les forêts! Mangez du gibier!"-Obé

- Grattes+Basses : Vigier, Leduc, Patrice Blanc, Xavier Petit, J3guitares, Lâg, Roland, Danelectro, Art&Lutherie, PRS, Krappy, Ibanez, Hagström, Ovation, Aria, Eagle, Condé Hermanos
- Amps : Mesa-Boogie, Marshall, Soldano, Ampeg, Carvin, Pignose, Fender, ObLX, Telefunken, Traynor; Cabs : Electrovoice, Audax, JBL, Weber, Beyma
- FX : ObLX, Moog, EHX, Zvex, Eventide, TC, Lexicon, Rocktron, Roland, Yamaha, DLS, Boss, Ibanez, Rockman
- Analog synth : Oberheim, Roland, Cheetah, SIEL
Endorsé : Marc Dorcel, viande-chevaline.fr; distillerie Othon-Schmitt.lu
Obelix2
ça fait cher le préamp Fender, d'autant + que quasi tous les Mesas en rack disposent d'un canal 'blackface' pis 550€ pour une valeur neuve de 680, on peut difficilement parler de bonne affaire
La Pro R3 ne me parle guère, ça doit être assez ancien, non?
"Le monde ne sera pas détruit par une bombe atomique, mais englouti par un fleuve de merde."
- Charles Bukowski
"Sauvez les végétaux et les forêts! Mangez du gibier!"-Obé

- Grattes+Basses : Vigier, Leduc, Patrice Blanc, Xavier Petit, J3guitares, Lâg, Roland, Danelectro, Art&Lutherie, PRS, Krappy, Ibanez, Hagström, Ovation, Aria, Eagle, Condé Hermanos
- Amps : Mesa-Boogie, Marshall, Soldano, Ampeg, Carvin, Pignose, Fender, ObLX, Telefunken, Traynor; Cabs : Electrovoice, Audax, JBL, Weber, Beyma
- FX : ObLX, Moog, EHX, Zvex, Eventide, TC, Lexicon, Rocktron, Roland, Yamaha, DLS, Boss, Ibanez, Rockman
- Analog synth : Oberheim, Roland, Cheetah, SIEL
Endorsé : Marc Dorcel, viande-chevaline.fr; distillerie Othon-Schmitt.lu
relayer69
Le TBP1 c'est un preampli basse.
Le Yamaha pro 3 a l'air pas mal mais il est vraiment orienté studio, pas trop rack guitare.
+100 pour le mp2
10:15 guitars user: SS1 superstrat HSS/SS2 superstrat HH/edgecaster SSS
s_ghislain
Ah mince c'est un preamp basse.

De toute façon : oui, ça fait cher. Le Yamaha est assez plaisant malgré tout. D'après certains avis que j'ai lu, c'est une machine assez puissante, mais effectivement orientée studio.

Ah bon sang, ce que j'aimerais un preamp qui sonne VOX (AC).

Je n'ai que 2 pistes : un fredamp ou le M4 ... mais dur à trouver (à un prix abordable) ... il y en a un sur AF à 1500.
SInon il y a un RM4 sur G.com ... si je lui colle le module VOX egnater visiblement ce sera moins bien que sur l'egnater même.
@ Obelix : Visiblement une des grosses différences entre le M4 d'egnater et le RM4 de Randall, est la qualité des composants. Penses tu qu'un RM4 peut être upgradé ? Ou finalement cela reviendrait aussi cher.

merci !

En ce moment sur effet guitare...