BlackStar Amplification User's Club

Forum Blackstar
Forum
Rappel du dernier message de la page précédente :
splatshman
I'm in the club
Reçue hier, commencé les tests today.
1ere constatation: zer gross costo metalic box, on peut y aller allegrement.
2éme constatation: Ma fulltone fulldrive 2 10th est vraiment une super pedale car la difference de grain d'avec la HT est vraiment tres tres legere en mode mosfet

ensuite..... yadutaf!!!

Les sons sont gros a souhait (je suis plutot ZZTOP ) c'est parfait pour moi, les possibilités sont quand meme gigantissimes.

C'est la meilleure disto que j'ai eu, a mon avis la seule capable de rivaliser avec un mesa studio preamp en terme de qualité sonore.

Seuls reproches que je pourrais lui faire:
L'Isf qui aurait supporté un reglage double comme les gains et volume.
Si on s'accomode de ceci un double sur le medium aurait été suportable.
Attention je fais de la musique qui aime les mediums.

Sinon la premiere disto qui me donne le sourire dés le depart.
C'est suffisament rare pour etre évoqué.

ma note sur 10:
12.
Keep Calm and Watch Your Ass!
Screwy Squirrel
hello
je viens de recuperer une HT Drive d'occaz', qui vient donc s'ajouter à ma Dual. A la base, c'etait pour booster le canal crunch de la dual que je la voulais.
Eh beh je dois dire
si je devais en garder qu'une des deux, ce serait la Drive !!

La Dual a bien sur plus de possibilités, mais sonne un peu agressive comparé a cette drive, ou le son est beaucoup plus gros je trouve ! par contre, pas d'isf, donc pas la possibilité de changer le caractere du son. Mais de toute facon sur ma dual, l'ISF est toujours à fond à droite

Bientot un comparatif des deux avec samples, pour ceux que ca interesse.
Enfin pas avant que Cubase se remtte à marcher, et que je me sois occupé de la montagne de boulot qui m'attend ces prochaines semaines...

donc Restez aux aguets !
  • #35
  • Publié par
    Zwixx
    le
Moi j'ai la HT-Drive et c'est vrai qu'elle dépote un max (surtout pour ce qui est solo )! Le seul hic c'est qu'à la base je voulais une Disto moi !


Quelques petites questions concernant ces belles Blackstar (J'avais formulé ces questions sur un autre topic auparavant mais je croie que je n'étais pas très clair sur ce que je demandais =) ):

J'hésite à acheter une HT-DistX en plus de ma HT-Drive, pour garder la chaude Overdrive pour ce qui est solo (j'adooore ) et prendre un truc plus agressif pour la rythmique (donc ce serait HT-DistX)...

-Est ce que des personnes utilisent ces pédales simultanément et que peut on y gagner en actionnant les Switch des deux pédales en même temps ?

-J'aurais aimé savoir si la pédale HT-DistX peut délivrer un son bien sec, hurlant et incisif (un son un peu trash métal en somme)? car sur la plupart des tests que j'ai vu, les gens ont plutôt l'air de dire qu'il s'agit plutôt d'une Distorsion bien grasse!

-Enfin pitite question de la fin je voulais savoir sur quel ampli utilisez vous votre ou vos pédales Blackstar ? Pour savoir en gros sur quoi ça sonne bien!!!

Merci à vous =)!
bigeric
jpense pas que utiliser les deux t'apporte grd chose a part te foutre un bordel... j'ai les deux et j'utilise la drive pr les crunch et blues et le dX pr les solo, jpense que l'on doit pouvoir trouver un son trash avec cette pedal car l'equal est tellement efficace...
stilnox
Je pense me prendre une HT dual, elle a l'air terrible.
Mes dernieres ventes:
cornford roadhouse, palmer pdi. suhr s1
  • #39
  • Publié par
    Zwixx
    le
Merci pour ta réponse Bigeric!
Bon et bien elle me tente bien la Disto. Sinon c'est pas trop la galère de switcher les deux pédales en même temps pendant un morceau quand tu veux passer du crunch à la disto?

++
stilnox
Je viens de me prendre une Ht dual, et bein....
Quel pu.ain de bonne pedale. Les crunch sont terribles, le canal 2 est franchement excellent lui aussi. la pedale couvre vraiment un registre tres large avec une qualité sonore digne d'un tres bon ampli a lampe. Une ht dual, plus ma BB xotic, et je tire tous mes sons de mon pedaliers pour l'instant c'est assez dingo.
Mes dernieres ventes:
cornford roadhouse, palmer pdi. suhr s1
Starfucker Inc.
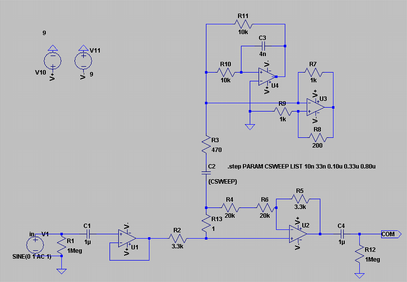
je trouve que l'ISF est un super concept, et pour ceux qui sont du meme avis et qui veulent retrouver ce systeme sur d'autres amplis ou pédales, voici une comparaison de graphique:

L'ISF de blackstar:



La METAL MID CUT, un montage de pandora de technigutiare:


VENTE A PERTE PEDALES ET BAFFLE HAUT DE GAMME

"J'ai l'impression que certains ici ne prennent pas la guitare assez au sérieux... J'en ai surpris en train de s'amuser... Dommage..." - Zepot

FAUVE ? "imiter Thierry Roland qui imite Grand corps malade, c'est pas donné a tout le monde" - Mia Wallace
Maxcreed
Wahoo, je me renseigne de plus en plus sur ces petites pédales !

J'avoue qu'on entend pas trop parler de la ht dist...

En fait, la ht dual est too much pour moi, la drive a l'air sympa mais j'ai peur d'être un peu limite en gain et en ce qui concerne la Dist-X, j'ai un peu peur que ça soit trop directdanstaface et trop sec...

Quelqu'un aurait déjà essayé la dist normale ?

Je joue sur JCM800 que je booste déjà avec une wylde overdrive et ça dépote parfaitement pour jouer à fort volume, mais en appart j'aimerai autre chose...

De plus, si me chope un petit Blues Junior pour faire des minis répète, j'aimerai bien avoir une bonne tite pédale qui ne fasse pas spécialement booster...

Bref, un petit avis ?

Merki !
J'vais lui montrer qui c'est Raoul. Aux quat' coins d'Paris qu'on va l'retrouver éparpillé par petits bouts, façon Puzzle. Moi, quand on m'en fait trop j'correctionne plus : j'dynamite, j'disperse, j'ventile.

T'en veux ?

- Hauts-Parleurs Splawn Small-Block 55 - Eminence comme neufs :
https://www.guitariste.com/for(...).html
Screwy Squirrel
la dist tout court, tu la retrouves dans le canal 2 de la dual, que je possede. Et j'ai aussi la drive.
Eh beh, la drive en comparaison a une tres bonne reserve de gain, faut pas croire.

surement pas autant que la dist, mais elle peut satisfaire tout le gros rock, j'entend par la une satu dynamique chaleureuse qui a la peche, qui peut faire bien ressortir toutes les notes d'un accord jazzy (bien que ca serve a rien dans ce domaine....)

Ceci dit le gain du canal saturé de la dual, je ne le pousse jamais plus loin 12h/13h. Trop de gain tue le son !!

L'avantage de la dist, c'est que tu as l'isf dessus. Mais perso, je le met toujours a fond sur la dual. Faut croire que je prefere les sonorités british.

Donc si j'avais un jcm, je garderais juste la drive je pense. Remarque, chais pas ce que ca peut donner un isf regler a zero sur un jcm, ca peut etre interessant
Screwy Squirrel
Maxcreed a écrit :
Wahoo, je me renseigne de plus en plus sur ces petites pédales !



en fait elles sont plutot grosse et lourdes !

En ce moment sur ampli et préampli guitare et Blackstar...