"Club Of Snobs": Gibson Historics and Custom Shop

Forum Gibson
Forums
Rappel du dernier message de la page précédente :
GibSG
  • GibSG
  • Custom Cool utilisateur
Tu es sur que le tech est bon? J' en ai pas l' impression, pour commencer il ne sait pas si le transfo est bon ou HS...

Pour vérifier un transfo il a besoin d' un multimètre et c' est tout, position Ohmètre et Voltmètre. Pour les condos meme punition position capacimètre.

Et le pont de diodes il dit quoi?

Un transfo d' époque se trouve facilement et ca ne coute pas la peau du cul, ca manque de crédibilité cette histoire surtout par rapport à la somme que tu as déboursé.

Fais appel à quelqu' un de compétent, un minimum...
olivier064
Bon j'interromps ma session agréable avec ma MJT pour dire : Avant de dire des conneries vous lisez les posts avant ou bien ?

Allez je crois que je vais meme pas développer et retourner jouer , Gibsg et machin sont deux troll ou multinick donc bon....

Bises les filles , à toute !
"The Dude Abides!"

Mes ventes actuelles:
GibSG
  • Custom Cool utilisateur
C' est très troublant un transfo... Mais comment est-ce possible?
zut_flute_crote
son tech ce pose juste la question.. pourquoi il a cramé alors qu'il etait presque neuf....voila tout!!!
GibSG
  • Custom Cool utilisateur
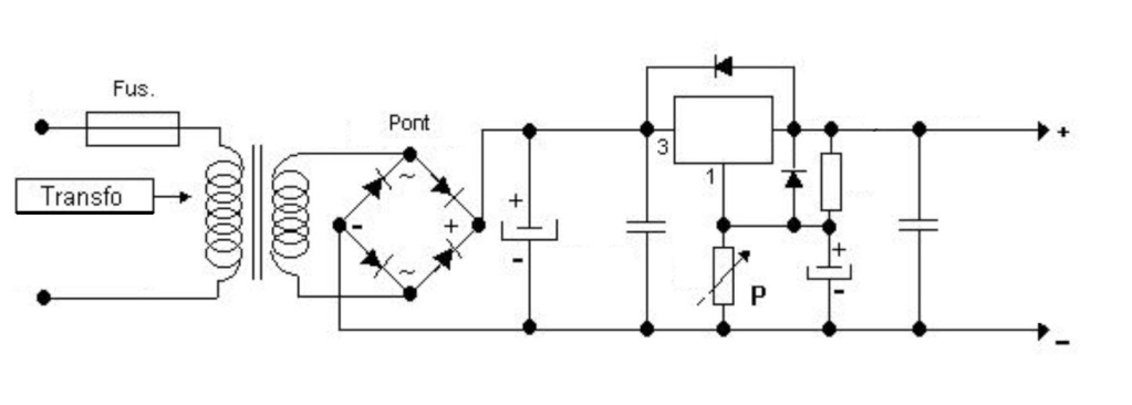
Un transfo qui crame c' est qu' il a chauffé, soit il est sous-dimensionné soit il y a eu un fort appel de courant. Dernière hypothèse: ce n' est pas le bon modèle cad tension de sortie inadaptée.

Le schéma standard d' une alimentation stabilisée avec un régulateur, il faut isoler électriquement ce circuit et controler les tensions et les composants (non connectés) Pour commencer un contrôle visuel peut etre suffisant pour déterminer le composant impacté.


john_laprudence
GibSG a écrit :
Un transfo qui crame c' est qu' il a chauffé, soit il est sous-dimensionné soit il y a eu un fort appel de courant. Dernière hypothèse: ce n' est pas le bon modèle cad tension de sortie inadaptée.

Le schéma standard d' une alimentation stabilisée avec un régulateur, il faut isoler électriquement ce circuit et controler les tensions et les composants (non connectés) Pour commencer un contrôle visuel peut etre suffisant pour déterminer le composant impacté.




C'est très gentil de ta part de vouloir l'aider

mais quand tu vois la manière dont il répond : "se faire foutre " ,"enculé", "deux troll ou multinick", etc

Ne crois-tu pas qu'il est inutile de tenter de le conseiller ?
Philyon
J'suis pas très ES mais alors celle là est juste... miam.

Bluesycat
Philyon a écrit :
J'suis pas très ES mais alors celle là est juste... miam.



Inhabituelle mais jolie et originale !
Si elle vieilli bien dans 20 ans et plus elle sera encore plus belle ...
Pour le coup p'tet ben une bonne idée hors des sentiers battus ...
Bluesycat


Quant à celle ci c'est pas ce que Gibson a fait de mieux
Pourtant y'avait de l'idée et c'était un peu dans l'idée de la Zakk Wylde quand on y pense mais visiblement ça a dérapé ...

Et du coup petit intermède irish pour les amateurs qui se boit sans soif ...


GOLD TOP
Philyon a écrit :
J'suis pas très ES mais alors celle là est juste... miam.



Mis a part le bigsby qui fait tache elle est sublime ..
FAROUCHE CONSERVATEUR...

THE '59 LES PAUL IS THE HOLY GRAIL OF GUITARS.

PARTISAN DE LA TOUCHE ÉBÈNE.

THIS GUITAR HAS THE SIMILAR "HOLY GRAIL" TONE
THAT A REAL '59 HAS. CC # 26
interstellla
une vidéo publiée aujourd'hui sur Youtube ... impressionnant le discours.
Une mine d'or d'information

Rastacouair
Ce Bill c"est pas Bill Monkey ?
J'ai deux compte ici : en cas de ban, contactez mon multi TheSoulsRemain. Merci.
stege106
interstellla a écrit :
une vidéo publiée aujourd'hui sur Youtube ... impressionnant le discours.
Une mine d'or d'information



merci c'est très intéressant...j'ai envie de pied chaise sur ma guitare maintenant.
lamotte
Hyper intéressant !! et j'apprend que mon luthier fait des barbec avec du rio
olivier064
Gibson Les Paul 58 Mojave Gloss HPT, Hand Picked Top,
Vintage Original Specs, Custom Shop E-Guitar, Les Paul
1958, curved Maple Top, Mahogany Body, one piece mahogany
neck, onepice rosewood fretboard, hot glued, aniline dye
back, Historic Trussrod Ass embly (no tubing), 22
Frets,Trapez Inlays, '58 neckprofile, Vintage Tuner,
Custombucker Zebra Pickups, Nickel Hardware, Farbe: Mojave
Fade, incl.Custom Case, made in USA serial number: 841711,
weight: 3,86 kg



"The Dude Abides!"

Mes ventes actuelles:

En ce moment sur guitare électrique et Gibson...